Skocz do zawartości

pomand

Forumowicz
  • Postów

    21
  • Dołączył

  • Ostatnia wizyta

Treść opublikowana przez pomand

  1. jedyne co mi się nasuwa na myśl to za dużo powietrza. daj dmuchawę na 20 procent jeśli posiadasz przysłonę na wentylatorze odchyl jakieś 2 cm max
  2. witam .posiadam defro akm z sterownikiem defro am lux.Mialem ten sam problem ,jesli masz ten sam sterownik to w ustawieniach serwisowych przestawisz czas ruchu tloka kod do ustawien serwisowych 5162.Moze masz rzeczywiscie nowszy sterownik ,to moje porady ci sie nie przydadzom,jesli szuflada sie nie domyka to pamietaj o bezwglednym zamykaniu klapy kosza zasypowego.
  3. witam czy ktos podlaczal na wlasna reke piec firmy defro ,jak z zasadami gwarancji .Podobno piec musi montowac hydralik który potwierdzi to pieczatka w karcie gwarancyjnej i pierwszy rozruch musi wykonac serwis defro .Czy to prawda.
  4. Poprawilem o to chodzilo ,co do zaworu zwrotnego na zasilaniu chyba go jednak zamontuje .Piec posiada sterownik ,ktury steruje praca pompy co i cwu pracuja one razem lub piorytet na CO albo piorytet CWU jest jeszcze mozliwosc wlaczenia trybu lato gdzie jest ogrzewana tylko woda uzytkowa.Ta rura dodatkowa miedzy powrotem do pieca a naczyniem zbiorczym dobrze narysowana
  5. Poprawilem o to chodzilo
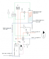
  6. DZIEKI poprawilem jeszcze schemat ,a dokladnie umiejscowienie zaworow zwrotnych .Chodzi o to zeby nie dawaly dodatkowego oporu grafitacji.
  7. Dzieki za sugestje ,czlowiek z natury lubi komplikowac sobie zycie.Czy ten schemat bedzie poprawny ,jakiej wielkosci zastosowac zawur mieszajacy do pieca o mocy 15 kw.
  8. Witam ,mam pytanie czy dolaczony schemat zadziala grafitacyjnie .Jakie zastosowac zawory zwrotne klapowe czy kulowe.Za wszelkie sugestje zgory dziekuje .
  9. Wydaje mi sie ze powino to chodzic na jednej pompie,jezeli przy montazu pompy na zasilaniu jest jedna za zaworem mieszajacym to po co druga jesli pompa jest na powrocie.Jestem ograniczony wysokoscia kotlowni i nie bardzo moge rozbudowywac instalaci nad piecem ,ruznica miedzy wyjciem zasilania z pieca a instalacja co 18 centymetrow.Moze zle mysle co do tych pomp za co z gory przepraszam ,ale moje pytanie brzmialo czy mozna zamontowac zawor 4d gdy pompa bedzie na powrocie.. :rolleyes:
  10. Witam ponownie wlasnie z powodu wysokosci pieca montarz pompy na zasilaniu jest ograniczony.Dolaczam szkic schematu
  11. Zapomnialem napisac ,chodzi o 4d
  12. Witam .Mam pytanie czy mozna zamontowac pompe co na powrocie ,gdy stosuje sie zawor mieszajacy. :rolleyes:
  13. Witam .Zastanawiam sie czy schemat jest poprawny ,i czy zadziala grafitacja przy zaniku napiecia .Schemat jest ze strony producenta kotlow KOSTRZEWA.Z gory dziekuje za wszelkie sugestje.
  14. Witam jestem nowy na tym forum,mam pytanie odnosnie zbiornika buforowego.Dokladnie chodzi o to jak takowy zbiornik zrobic ,moze ktos posiada doswiaczenie w tej sprawie.Jestem spawaczem ,pospawal bym ten zbiornik sam ,zastanawiam sie czy moze byc kwadratowy. Z czego zrobic werzownice na forum widzialem z rury miedzianej,moze lepsza by byla z rury kotlowej lub nierdzewnej[mam dostemp do tanich rur nierdzewnych].Bede wdzieczny za wszelkie porady,prosilbym o jakis rysunek pogladowy.
×
×
  • Dodaj nową pozycję...

Powiadomienie o plikach cookie

Używając tej strony zgadzasz się na Polityka prywatności.