-
Postów
21 -
Dołączył
-
Ostatnia wizyta
Informacje o ogrzewaniu
-
Co ogrzewam?
dom jednorodzinny 160m2
-
Instalacja
grzałki 18kW w buforze 1000L do podłogówki 160m2
O sobie
-
Lokalizacja
Ełk
Ostatnie wizyty
Osiągnięcia Quadratus
-
Bufor z grzałkami do podłogówki - prośba o ocenę projektu
Quadratus odpowiedział(a) na Quadratus temat w Instalacje CO i CWU
Strata ciepła w buforze wg producenta wynosi 3,5kWh/dobę i jest o strata pozorna, ponieważ ciepło pozostanie nadal w domu - w łazience i garderobie, bo tam jest umieszczony zbiornik buforowy. Dlatego okaże się w praktyce, czy jest sens sterować temperaturą w buforze czy grzać bezwzględnie do 80℃ lub do końca taryfy tańszej. Jeżeli zajdzie taka potrzeba, zainstaluję później sterowanie pogodowe regulujące temperaturę grzania. Planuję wstawić 2 grzałki, po 3 elementy grzejne każda (2 x 3 x 3kW) i każdy element grzejny będzie na osobnym obwodzie z osobnym zabezpieczeniem, więc może wystarczy zależnie od temperatury włączać (lub nie) tę drugą grzałkę? W praktyce się okaże. Jako ciekawostkę podam, że w lokalnej ciepłowni, przy termostacie mają wydrukowaną rozpiskę na kartce i powieszoną na ścianie obok termometru zewnętrznego. Na początku każdej zmiany pracownik ustawia temperaturę wyjścia na miasto wg tej tabelki i temperatury zewnętrznej. Tak wygląda automatyzacja w XXI wieku w ciepłowni obsługującej ponad pół miasta, czyli 40tys. mieszkańców. :-D Podział na osobne strefy dzień/noc to dobry pomysł i w tym przypadku elektrozawory na rozdzielaczu wpięte do 2 termostatów z programatorami raczej będą potrzebne. Dzięki za pomoc! Pozdrawiam, Marcin- 45 odpowiedzi
-
Bufor z grzałkami do podłogówki - prośba o ocenę projektu
Quadratus odpowiedział(a) na Quadratus temat w Instalacje CO i CWU
Nie spotkałem grzałek 3fazowych z możliwością połączenia w trójkąt a jedynie w gwiazdę: https://allegro.pl/uzytkownik/www_cbpawex_pl?string=Grzałka 3&order=m&bmatch=baseline-dict-global-hou-1-4-1114 One są fabrycznie połączone w gwiazdę i składają się z trzech elementów grzejnych, każdy z nich zasilany jest napięciem 230V. Ponadto po połączeniu w trójkąt prawdopodobnie spalą się a i producent nie daje gwarancji na takie połączenie.- 45 odpowiedzi
-
Bufor z grzałkami do podłogówki - prośba o ocenę projektu
Quadratus odpowiedział(a) na Quadratus temat w Instalacje CO i CWU
Moje czujne oko od razu wychwyci wolniejsze ładowanie bufora ;-) Kolego Yaro, piszesz, że masz bufor 3200L. Jak wzmocniłeś podłoże pod ten ciężar? Masz połączone szeregowo w baterię kilka zbiorników? Ciekawi mnie Twoje rozwiązanie. Pozdrawiam, Marcin- 45 odpowiedzi
-
Bufor z grzałkami do podłogówki - prośba o ocenę projektu
Quadratus odpowiedział(a) na Quadratus temat w Instalacje CO i CWU
Odpowiedź na Twoje pytanie brzmi: to zależy. ;-) Zależy od strat energii (izolacja, wentylacja), zależy do wielkości bufora i ogrzewanej kubatury oraz od utrzymywanej temperatury. Pisałem już wcześniej, że do podgrzania 1000L wody o 1℃ należy dostarczyć 1,164kWh mocy - resztę możesz wyliczyć. Instalacja PV jest o tyle wygodna, że możesz ją rozbudowywać, czyli dokładać nowe panele i zmieniać falownik na większy. Minimalna i opłacalna moc paneli wynosi 4kWp (ok. 15 paneli), co w teorii oznacza, że wpuścisz do sieci energetycznej 4kWh w ciągu słonecznego sezonu a zimą odbierzesz 80% tejże energii, ponieważ 20% kasowane jest jako zapłata za magazynowanie energii.- 45 odpowiedzi
-
Bufor z grzałkami do podłogówki - prośba o ocenę projektu
Quadratus odpowiedział(a) na Quadratus temat w Instalacje CO i CWU
Obawiam się sterowania przez komputer. Chociaż fajnie by było mieć na ścianie w pomieszczeniu gosp. tablet i wszystkie parametry ściągnięte przez MODBUS z termometrów, licznika energii oraz sterowanie zaworem 3D i grzałkami. W ten sposób można zaoszczędzić sporo kasy, chociażby na samym liczniku 3F i dwutaryfowym. ;-)- 45 odpowiedzi
-
Bufor z grzałkami do podłogówki - prośba o ocenę projektu
Quadratus odpowiedział(a) na Quadratus temat w Instalacje CO i CWU
Teraz mam umowę na 14kW, czyli jedną grzałkę 9kW obsłuży. Taką mocą można podnieść temperaturę w 1000L wody do 43℃ w 2 godziny (okienko dzienne) a do 80℃ w 7 godzin (w nocy). Wszystko się okaże w praktyce, zależnie od stopnia wycieplenia budynku i pogody. Na wszelki wypadek postawiłem kominek na werandzie z DGP. Gdy uporam się z budową, pomyślę o panelach fotowoltaicznych, czyli najlepszej formie inwestycji. Pozdrawiam Marcin- 45 odpowiedzi
-
Bufor z grzałkami do podłogówki - prośba o ocenę projektu
Quadratus odpowiedział(a) na Quadratus temat w Instalacje CO i CWU
U mnie w PGE Białystok jest trochę szybciej (na przyłącze czekałem 2 miesiące), chociaż na wniosku mają maksymalny termin 24 miesiące.- 45 odpowiedzi
-
Bufor z grzałkami do podłogówki - prośba o ocenę projektu
Quadratus odpowiedział(a) na Quadratus temat w Instalacje CO i CWU
Słuszna uwaga! Dzięki. Zapytam jutro w Zakładzie Energetycznym. Na krawędzi działki, nad ZK i licznikiem stoi nowy słup, który prowadzi do bardzo dużego gospodarstwa rolnego, więc liczyłem, że jest możliwość podłączenia większej mocy - ale kto wie? Trzeba sprawdzić.- 45 odpowiedzi
-
Bufor z grzałkami do podłogówki - prośba o ocenę projektu
Quadratus odpowiedział(a) na Quadratus temat w Instalacje CO i CWU
Właśnie tak zrobię, że sterowanie będzie na zaworze 3d i zależne od temperatury w głównym pomieszczeniu. Sterowanie pogodowe może nie wychwycić podgrzania kominkiem z DGP ani wietrzenia pomieszczeń. Poza tym w domu ktoś zawsze jest, więc nie ma potrzeby zdawania się na pełną automatykę. Na wszelki wypadek pociągnę przewody od termometrów pokojowych i zewnętrznych do centrali, co umożliwi późniejsze dowolne modyfikacje. Trzeba będzie nauczyć się tego mechanizmu i sterować raczej ręcznie a później na bazie doświadczeń dostosować automatykę.- 45 odpowiedzi
-
Bufor z grzałkami do podłogówki - prośba o ocenę projektu
Quadratus odpowiedział(a) na Quadratus temat w Instalacje CO i CWU
Dodam jeszcze, że układ elektryczny chciałbym przygotować do współpracy z Raspberry Pi, ale tylko w celach analitycznych. Pomimo tego, że jestem programistą - wolę twarde hardwarowe rozwiązania a często nawet i zwykłe pokrętła, dlatego np. mieszacz trójdrożny będzie ze zwykłym pokrętłem.- 45 odpowiedzi
-
Bufor z grzałkami do podłogówki - prośba o ocenę projektu
Quadratus odpowiedział(a) na Quadratus temat w Instalacje CO i CWU
Sterowanie grzałek będę robił na termoregulatorach (sonda w buforze) i stycznikach dużej mocy na szynie DIN, czyli w szafce elektrycznej wmontowanej w ścianę w pobliżu bufora. Wszystkie obwody grzałek będą pilnowane przez zegar sterujący (także w szafce) aby włączać obwód jedynie w tańszej taryfie. Zegar będzie zmostkowany ze zwykłym bezpiecznikiem esem, którym będę mógł zamykać obwód niezależnie od ustawień zegara - podczas instalacji, prób systemu lub niewydolności układu przez 10 tanich godzin w ciągu doby. Na rozdzielaczu podłogówki będą na razie pokrętła termostatyczne, które z czasem zamienię na elekrozawory sterowane przez termoregulatory z sondą na kablu (https://allegro.pl/termostat-regulator-temperatury-50-110-c-230v-a-i7135729639.html), czyli układ własnej produkcji dziesięciokrotnie tańszy od gotowców. Do ogrzania mam 160m2 w budynku z betonu komórkowego wycieplonym przez 20cm styropianu z oknami 3 szybowymi. Jeszcze nie wiem jakie jest zapotrzebowanie, obliczenia będę miał lada dzień. Na razie mam rozkminkę, czy dawać pompę tak, jak narysowałem na schemacie i drugą przy rozdzielaczu, czy może tylko jedną - ale gdzie? Chętnie wyślę postępy prac, czegoś nowego się dowiem, być może uniknę błędów a i będzie ściągawka open source ;-) Gdy zdecyduję się na konkretne modele urządzeń, dam znać.- 45 odpowiedzi
-
Bufor z grzałkami do podłogówki - prośba o ocenę projektu
Quadratus odpowiedział(a) na Quadratus temat w Instalacje CO i CWU
Wiemy, że aby podgrzać 1L wody o 1℃ należy dostarczyć 1,16Wh mocy. Przy założeniu, że sprawność układu wynosi 100% - reszta jest prostą algebrą. Z wyliczeń wychodzi, że podgrzanie wody z 25℃ do 80℃ (+55) pochłonie 64kWh w 3,5h, czyli niecałe 18zł. Natomiast w dwugodzinnym okienku dziennym podgrzeję z 25 do 60℃. Mimo tego na wszelki wypadek doprowadzę 3 przewód na grzałkę 3x2000W, co w sumie da 24kW mocy. Więcej nie ma sensu montować, ponieważ nie dostanę tak dużej mocy z PGE - dają maks 40kW (63A). Oprócz tego mam kominek z DGP, starczy tego ciepła dla wszystkich ;-)- 45 odpowiedzi
-
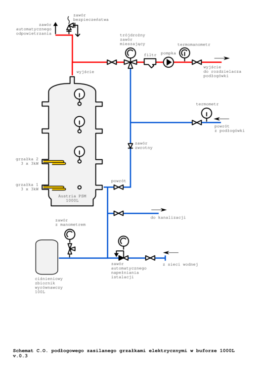
Bufor z grzałkami do podłogówki - prośba o ocenę projektu
Quadratus odpowiedział(a) na Quadratus temat w Instalacje CO i CWU
Poprawiłem błąd rysunkowy (filtr) i przesyłam 3 wersję rysunku. Pewnie przyda się komuś jeszcze ten schemat bufora z grzałkami do podłogówki, bo nie znalazłem w sieci podobnego. Fajnie by było rozwinąć ten projekt o inne szczegóły i opublikować dla potomnych, przecież grzanie prądem staje coraz bardziej popularne. Być może jeszcze wrócę z pytaniami już instalacyjnymi. Jeszcze raz dziękuję za pomoc! ;-) Marcin- 45 odpowiedzi
-
Bufor z grzałkami do podłogówki - prośba o ocenę projektu
Quadratus odpowiedział(a) na Quadratus temat w Instalacje CO i CWU
Dziękuję Panowie za wskazówki. Przerysowałem schemat, usunąłem zawór nadmiarowy i dodałem zawór zwrotny. Siłowniki na rozdzielaczu będą i zastanawia mnie co będzie w sytuacji, gdy wszystkie elektrozawory na rozdzielaczu będą zamknięte a pompka zacznie tłoczyć wodę. Czy wtedy się nie spali? przecież nie będzie odbioru tego ciśnienia... Prawdopodobnie wywali całą wodę przez zawór bezpieczeństwa. Dobrze kombinuję?- 45 odpowiedzi
-
Quadratus zmienił(a) swoje zdjęcie profilowe
-
Bufor z grzałkami do podłogówki - prośba o ocenę projektu
Quadratus opublikował(a) temat w Instalacje CO i CWU
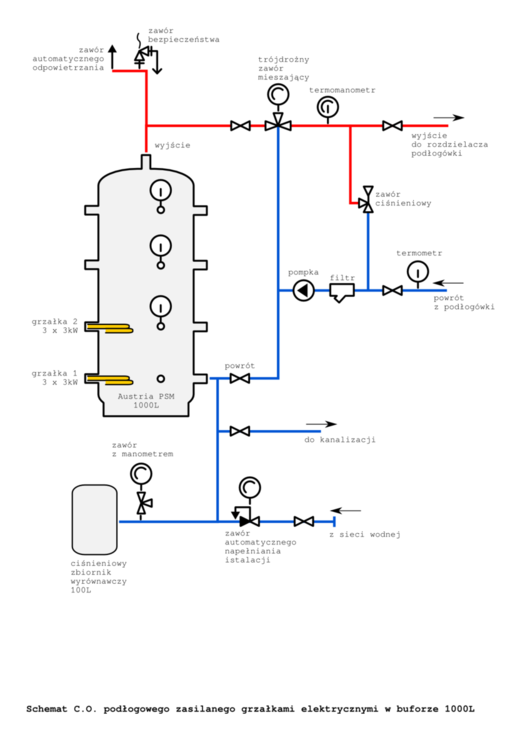
Cześć Wam wszystkim! Proszę o ocenę schematu widocznego w załączniku. Chciałbym ogrzewać grzałkami (2x9kW) bufor (1000L) w taryfie G12 i następnie korzystać z tej energii w podłogówce. Z hydrauliką nie miałem wcześniej do czynienia, więc całkiem możliwe, że schemat jest herezją. Ze względu na moje terminy nie mogę czekać aż fachowcom się zwolnią ichniejsze i postanowiłem sam się zabrać za wykonanie instalacji, przy pomocy hydraulików starej daty, którzy nigdy nie robili ogrzewania elektrycznego. Jeszcze raz proszę o przejrzenie schematu, korektę lub dorzucenie lepszych rozwiązań tej instalacji. Pozdrawiam Marcin- 45 odpowiedzi
