pio343
Forumowicz-
Postów
22 -
Dołączył
-
Ostatnia wizyta
Typ zawartości
Forum
Wydarzenia
Blogi
Artykuły
Treść opublikowana przez pio343
-
Czyli przepisy przepisami a i tak wszystko zależy od instalatora. Dziękuje za odpowiedzi.
-
Raczej ten kociołek wężownicy schładzającej nie posiada .Jednym słowem można uważać że: - instalacja ma być do poprawy?(grzeczne poproszenie instalatora o poprawę i montaż wężownicy schładzającej). -czy wszystko jest ok i można być pewnym że dobrze wydało się swoje pieniądze a instalator wykonał dobrą robotę montując układ zamknięty.
-
Witam w kwestii wyjaśnienia. Instalacja wykonana u mojego brata w domku przez "najlepszego specjalistę" w okolicy . Kociołek defro optima plus 10KW i z tego co się orientuję przystosowany jest do pracy w systemach otwartych. Chcę się tylko dowiedzieć czy jest taka instalacja zgodna z polskimi przepisami.
-
Witam. Moje pytanko jest takie: Czy według najnowszych przepisów możliwe jest wykonanie instalacji w układzie zamkniętym z kociołkiem dolnego spalania (instalacja zabezpieczona tylko zaworem bezpieczeństwa). Dziękuje za odpowiedzi.
-
PO PIERWSZE JEŚLI JUŻ ZAKŁADASZ ZAWÓR 4D TO MUSI BYĆ ON PODŁĄCZONY DO INSTALACJI C.O. , ZASILANIE NA GRZEJNIKI PODŁĄCZ DO ZAWORU. DO ŁADOWANIA ZASOBNIKA C.W.U. POWINNA BYĆ DOŁOŻONA POMPA. RESZTA TROSZKĘ ZAKRĘCONA ALE POWINNO RACZEJ ZADZIAŁAĆ . NAPISZ COŚ WIĘCEJ O BUDYNKU JAK OCIEPLONY ITP... TO MOŻE KTOŚ JESZCZE SIĘ WYPOWIE ...
-
Ja też się dopisuje (właśnie dzisiaj kupiłem kociołek na eko groszek ), ale wygląda na to że w lubelskim dobrego eko nie ma, a może ktoś poda namiary na dobry pellet w lublinie lub okolicach....
-
NAJPROŚCIEJ BĘDZIE ZAMONTOWAĆ WYMIENNIK CIEPŁA .PIEC W SYSTEMIE OTWARTYM A C.O. W DOMU W ZAMKNIĘTYM. I CHYBA BĘDZIE PO PROBLEMIE. ALE POCZEKAJ NA WYPOWIEDZI BARDZIEJ DOŚWIADCZONYCH FORUMOWICZÓW.
-
Dzięki !!!!
-
A czy eko komfort podstawowo jest przystosowany do palenia pelletem? Czy jest to opcja za dodatkowa dopłatą? I jaka jest różnica pomiędzy eko komfort ekonomik a eko komfort?
-
Chcę palić podstawowo eko groszkiem ,ale i pellet i w razie czego miał też mógłby spalac.
-
A tak troszkę z innej beczki lepsza retorta eko z lazara czy tłokowy multikomfort
-
Wielkie dzięki zaczynam rozglądać się za 18, a może ma kto jakiś namiar na jakiś dobry sklep w Lublinie lub okolicach....
-
A może ktoś wie gdzie poszukać danych technicznych tj. wielkość ogrzewanych pomieszczeń itd... bo na stronie lazara to jakoś marnie wygląda
-
Dzięki za zainteresowanie. Budynek jest w Lublinie w przyszłości zamierzam go ocieplić styropian 10 cm
-
Witam! Proszę o opinie czy warto kupić ten kocioł? Czy może szkoda kasy i poszukać coś że tak to ujmę "tańszego" I jeszcze jedno pytanie jakiej mocy proponujecie kocioł 18 czy 25 KW (Dom lata 50-te ,ściana 45 cm, bez piwnicy ,nowe okna 90mkw +100l boiler w przyszłości czyli następnym roku poddasze użytkowe 60mkw) Z góry dziękuje za odpowiedzi.
-
A MOŻE EKOKOMFORT AUTOMAT 25 KW JEST LEPSZYM ROZWIĄZANIEM
-
Witam! Czy może mi ktoś przedstawić zalety i wady tego kociołka. A może forumowicze doradza mi kocioł innego producenta. Chodzi mi o spalanie eko-groszku, pelletu ewentualnie miału. Dziekuje.
-
Witam wszystkich , wiem że ten temat był wielokrotnie poruszany ale największym dylematem nowych użytkowników domów jest właśnie wybór kotła CO więc oczekuje na wyrozumiałość w stosunku do mojego pytania. A więc: Potrzebuje dobry kocioł 25KW na ekogroszek ewentualnie dodatkowe paliwa stałe, a na dodatek kotła w miarę taniego i niezawodnego. Mam do wyboru kilku producentów proszę o sugestie który z nich jest warty zainteresowania a który nie -Stalmark -taurus guar -lazar wiadrus -Cichewicz futura -Stalmax -KWM pleszew I jeszcze jedno lepszy tłokowy czy z podajnikiem ślimakowym DZIĘKI !!
- 6 odpowiedzi
-
- Kocioł z podajnikiem
- Wybór kotła co
-
(i 3 więcej)
Oznaczone tagami:
-
Dzięki za dotychczasowe uwagi.
-
Małe sprostowanko i dodatkowe pytanie -oczywiście nie mam na myśli zaworów zwrotnych przy pompach -czy zabezpieczyć zasobnik cwu zaworem bezpieczeństwa?
-
Zbiornik wyrównawczy zamontuje na poddaszu. Co do podłączenia podłogówki bardzo trafna uwaga dzięki. Mam jeszcze pytanka: -gdzie wstawić zawory zwrotne? -i czy piec 25KW jest ok?
-
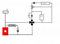
Po pierwsze witam wszystkich użytkowników forum. Jestem nowym użytkownikiem i nie chcę się za bardzo rozpisywać ale sprawa wygląda tak: Zostałem szczęśliwym posiadaczem starego domu(lata 50te) ,budynek wolno stojący, ściany cegła 50cm,nieocieplony(ocieplenie w przyszłości 10cm styropian) o powierzchni 100mkw w przyszłości użytkowe poddasze 60mkw ,wymienione okna.Niestety ogrzewany jest piecami kaflowymi, które po tylu latach odmawiają "posłuszeństwa" i jestem zmuszony zainwestować w co i cwu. I jak to najczęściej bywa z braku funduszy jestem zmuszony zabrać się za to sam. Zamieszczam projekt instalacji z prośbą o sprawdzenie, poradę i wytknięcie wszystkich błędów. Z góry dziękuje. A tak na marginesie: -kocioł retorowy 25KW ekogroszek -parter 4 grzejniki (w przyszłości dodatkowo 4 na poddaszu) -łazienka 4mkw podłogówki -podgrzewacz ze spiralą 140l -naczynie wzbiorcze 30l -pion miedź 28mm,rozprowadzenia 22,18 i 15mm Na schemacie nie zaznaczyłem zaworów kulowych filtrów . Na wszystkie pytania odpowiem jeszcze raz dzieki.
