gastek
Forumowicz-
Postów
35 -
Dołączył
-
Ostatnia wizyta
Typ zawartości
Forum
Wydarzenia
Blogi
Artykuły
Treść opublikowana przez gastek
-
Nastawy pieca i sterownika pokojowego SAS Bio Compact PLUS 10kw
gastek odpowiedział(a) na gastek temat w Kotły pelletowe
@lenas1 no teraz z tym co mam ustawionym on jest w nadzorze nie jest wygaszony czyli raz na 9 minut podsypuje pelet co trwa 4 sekundy i raz na 3 minuty dmuchanie sobie by utrzymać żar. Źle napisałem w poście wyżej nie ma pracować w czuwaniu tylko w nadzorze. Masz rację czuwanie kocioł się wygaszał a jak jest w nadzorze to pracuje z zadanymi nastawami które mają nie dopuścić do podbijania temperatury na kotle ale mają utrzymać żar. -
Nastawy pieca i sterownika pokojowego SAS Bio Compact PLUS 10kw
gastek odpowiedział(a) na gastek temat w Kotły pelletowe
Kurcze nie rozumiem twojego toku myślenia @lenas1, po to stosuje się sterownik pokojowy aby komfort temperaturowy występował i aby piec wiedział w pid jak ma modulować swoją mocą do tego jak się rozkłada temperatura w domu. Abstrahując od tego co napisał @lenas1, znalazłem błąd w ustawieniach. Mianowicie w zaworze do CO i w zaworze do podłogówki sterowanie zaworów występowało z sterownika pieca przestawiłem na sterowanie z pokojówki, dla potomnych znajduje się to Menu ->Menu instalatora -> Ustawienia zaworów i tu Zawór Wbudowany 1 (to zawór pompy CO) i Zawór Wbudowany 2 (zawór od pompy podłogowej) i ja mam załączony profil grzania z czujnika pogodowego bo go mam i w opcji Regulator pokojowy zmieniłem z Sterownik pez pokojówki na opcję Regulator Tech RS. Co zaowocowało tym że mogę ustawić obniżenie temperatury na zaworach które mają wystąpić gdy zadana temp na pokojówce 21,5 zostanie osiągnięte. Oczywiście jest to w celu by był delikatny odbiór ciepła z kotła i aby pokoje się nie przegrzewały. Ale czy to wystarczy do tego by piec pracował w czuwaniu? Właśnie grzeje więc jak zostaną osiągnięte wartości dam znać. No chyba że ktoś zna rozwiązanie problemu to proszę o pomoc. No i piec przebił 5st od zadanej przeszedł w nadzór 🙂 nie wyczyścił palnika i nie dopalił resztek czyli zostało tylko dobrze ustawić nadzór by w palniku się nie wygasiło. I ustawić dobrze obniżenie na pompie co i podłogówki. -
Nastawy pieca i sterownika pokojowego SAS Bio Compact PLUS 10kw
gastek odpowiedział(a) na gastek temat w Kotły pelletowe
Generalnie piec ma dedykowany sterownik do pelletu i dla tego ta końcówka P w nazwie ST-555 P mało tego w menu producenta wybiera się jaki typ sterownika to ma być ekogroszek czy pellet. Ustawie histereze 0,2st. Ale to dalej nie będzie czuwanie, tylko start stop. Ktoś rozwiązał ten problem aby piec modulował w PID ? To nie może nie działać bo to jest podstawą pracy na pellet i funkcjonalności PID. W sterowniku ST 280 mam wybrany typ sterownika głównego (kotła) na pellet. -
Nastawy pieca i sterownika pokojowego SAS Bio Compact PLUS 10kw
gastek odpowiedział(a) na gastek temat w Kotły pelletowe
Fabrycznie było 0 przestawiłem na 15 eksperymentalnie i dalej to samo 😞 A jaka histereza na pokojówce powinna być ? -
Nastawy pieca i sterownika pokojowego SAS Bio Compact PLUS 10kw
gastek opublikował(a) temat w Kotły pelletowe
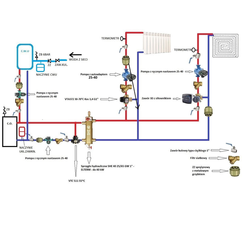
Dzień dobry. Specyfika instalacji: Dom 110m2 50/50 podłoga i grzejniki. -Piec SAS Bio Compact PLUS 10kw (zainstalowany najmniejszy jaki był od SASa według ciepło właściwe budynek wymaga 8kw) -Sterownik na piecu Tech ST-555P -Regulator pokojowy ST-280 Instalacja wykonana na sprzęgle i grupie pompowej według poniższego schematu. Tylko nie ma VTC 55st. Ale i tak powrót zawsze pięknie dogrzany. Obecna nastawa sterownika na piecu to praca w PID, współczynnik mocy kotła ustawiona na 80%, pid nadzór a tam ustawienie tryb wygaszania jest zaznaczone na Wyłączony. Oczywiście jak sterownik pokojowy osiągnie temperaturę to piec sygnalizuje następujące stany PID praca -> dopalanie -> Czyszczenie -> nadzór. I tutaj jest coś nie tak bo gdy pokazuje nadzór to w palniku 0 peletu 0 ognia czy żaru. No i według nastaw powinien utrzymywać temperaturę kotła a w tym rozumiem że mają mu pomóc opcje Menu instalatora -> PID nadzór -> Czas podawania 4sekundy, Przerwa podawania 9 minut, czas pracy wentylatora 10 sekund, obroty wentylatora 30%. No i tutaj pies pogrzebany bo te nastawy nie pracują pomimo trybu nadzór, nie ma podawania co 9 minut itp. No i wypadkową tego jest problem dużego spalania pelletu. Wsypuję do kotła 105kg wystarcza to na 8 dni czyli średnia 13,125kg na dzień. Dużo... Przesiadłem się z kopciucha a tam dominowała specyfika rozpal kocioł, nagrzej dom wygaś kocioł. W pelecuaku z tego co doczytałem kocioł powinien sobie cały czas pyrkać. A niestety obecnie u mnie działa to tak że dom dochodzi do 21.5 kocioł się wygasza i ponownie rozpala gdy temperatura spadnie o 0,9st czyli 20,6. Niestety piec wygaszony i dużo czasu jak i opału trzeba by ponownie kocioł rozchulać (5kg) oczywiście włączenie wyłączenie pracy 21,5 wychodzi z nastawy sterownika pokojowego Techa bo tam mam zadaną 21,5 i histereze 0,9st. Z innych nastaw to 65 zadana na piecu. I pompy równolegle. Aaaa no i na pewno pomocne będzie jak jest ustawiony w kotle regulator pokojowy: Menu Instalator -> Regulator pokojowy: Regulator pokojowy -> Tech RS. Obniżenie pokojówki -> 15st. Sterowanie Pompą CO -> załączony. Regulator Tech RS -> załączony. Pomoże ktoś okiełznać smoka ? -
Głosna praca pompy obiegowej Huczenie pompy kotłowej/przewałowej
gastek odpowiedział(a) na gastek temat w Instalacje CO i CWU
Problem rozwiązany, cisza 🙂 i powrót dogrzany nawet na pierwszym biegu. Dziwna sprawa z tym szlamem bo sprawdzałem na fv ma jakieś dwa rodzaje inhibitorów... -
Głosna praca pompy obiegowej Huczenie pompy kotłowej/przewałowej
gastek odpowiedział(a) na gastek temat w Instalacje CO i CWU
Masz rację, będzie to poprawiał, tylko muszę jakoś dociągnąć do wiosny jak i ty 🙂 i teraz tylko muszę ustalić co powinien zrobić by było dobrze 🙂 wiesz jak to instalator jak nagada to człowiekowi głową pęka. Rozebrałem filtr oby czyszczenie pomogło. Zawór powrotny trzyma wodę nie cofnęła się woda z instalacji. Poma igła, nic złego nie zaobserwowałem, brak ciał obcych. Odpowietrze jeszcze instalacje i dam znać jak sprawa wygląda. -
Głosna praca pompy obiegowej Huczenie pompy kotłowej/przewałowej
gastek odpowiedział(a) na gastek temat w Instalacje CO i CWU
Instalator mówił mi że poma kotłowa musi działać na wydajności pompy co i podłogi wtedy będzie wszystko dogrzane i faktycznie tak jest (3bieg)upierał się że w przypadku sprzęgła nie stosuje się tego zaworu bo poto jest sprzęgło i pompa kotłowa by był ciepły powrót. I w sumie ok jak tym tokiem idziemy. I nawet pokazywał mi instalacje na YT pewnego "celebryty" co sasy montuje że tak powrót się realizuje. Ale tam nigdzie na filmach nie huczą te pompy 😞 -
Głosna praca pompy obiegowej Huczenie pompy kotłowej/przewałowej
gastek odpowiedział(a) na gastek temat w Instalacje CO i CWU
W priorytecie cwu nie ma kłopotu ta pompa dogrzewa powrót na I biegu. Ale jak cwu się nagrzeje i startują pompy co i podłogi to nawet jak mam na drugim biegu pompę kotłowa to powrót jest zimny. Dla tego ta pompa chodzi na III biegu. -
Głosna praca pompy obiegowej Huczenie pompy kotłowej/przewałowej
gastek odpowiedział(a) na gastek temat w Instalacje CO i CWU
Na najniższym biegu nie słychać pompeczki tylko na 3, ale na pierwszym biegu jej nie mogę trzymać bo powrót jest nie dogrzany jak działa poma co i cwu. Nawet wełne dałem by to wyciszyć ale nic.to nie daje :( -
Regulacja pomp CO, CWU i przewałowej
gastek odpowiedział(a) na Panoramix temat w Instalacje CO i CWU
Przewałowa charakterystyka stało obrotowa, tak samo cwu, co charakterystyka różnicowego. Biegi pomp trzeba dobrać już eksperymentując ustawieniami, ale jeżeli pytasz pod to co w profilu czyli 130mkw podejrzewam że pierwsze biegi będą jak najbardziej ok. -
Głosna praca pompy obiegowej Huczenie pompy kotłowej/przewałowej
gastek opublikował(a) temat w Instalacje CO i CWU
Dzień dobry 🙂 Mam wykonana instalację z piecem pelletowym według poniższego schematu. Tylko nie posiadam na powrocie zaworu VTC. A za sprzegłem obieg podłogowy i grzejnikowy jest realizowany na grupie pompowej z mieszaczami/zaworami 3d. Charakterystyki pomp ustawione następująco pompa CO zmiennociśnieniowa (termostaty na grzejnikach) I bieg grzejniki grzeją prawidłowo, pompa podłogowa bieg I charakterystyka stałociśnieniowa, nie zaobserwowałem problemów z grzaniem podłogi. Piec pracuje z priorytetem CWU tak zalecił instalator, mówiąc że to napewno będzie najzdrowsze dla kotła. Pompa kotłowa III bieg stało obrotowa, tylko taka nastawa utrzymuje powrót około 10st mniej jak jest na piecu (ustawione 65st) oczywiście jak już dom nabierze temperatury to i powrót rośnie. Jak dam II bieg to powrót leci w dół z temperaturą, tylko I i II bieg radzi sobie z CWU by powrót był ciepły. Problemem jest znacznie hucząca pompa kotłowa, w nocy jest mocno słyszalna 😞 Co powoduje te huczenie ? jak mogę temu zapobiec. Proszę o pomoc syn ma pokój odrazu za kotłownią :(((( PS. instalacja przed modernizacją kotłowni była całkowicie przepłukana. Pracuje gdzieś od maja, ale czy cały czas huczała pompka nie wiem 😞 nie było mnie w domu. Gdy pytam domowników czy to było odrazu po uruchomieniu kotłowni to nie potrafią odpowiedzieć na to pytanie 😞 -
Mam pytanie jeszcze co do obiegu grzejnikowego, jak pisałem wcześniej instalacja będzie wykonana na grupie pompowej, podłogówka z zaworem 3 drogowym plus siłownik, a czy w obiegu grzejnikowym także będzie potrzebny zawór trzy drogowy z siłownikiem ? Musi kocioł nim sterować aby praca regulatora pokojowego pracowała poprawnie ? Na kaloryferach obecnie mam termostaty. PS. instalator proponuje mi grupę pompową oninen na jakiś pompach online dobre to jest ktoś to zna? Ja pierwszy raz o tym słyszę.
-
Super, wiele się wyjaśniło a @sambor co myślisz o zaworze VTC w obiegu kotłowym co jest umieszczony na schemacie ? Jest on konieczny ? Nie uważasz że to zupełnie nie potrzebne jest i czy czasem nie zaburzy efektywności całej instalacji ? . Ja rozumiem że jego zadanie to ochrona powrotu kotła, tyle że jeżeli pompy od CO i OP będą ustawione odpowiednio czyli tak jak pisałem wcześniej i pompa obiegu kotła będzie wydajności równa bądź większa jak pompy CO i OP to o powrót już samo sprzęgło zadba. I tak samo rozkminiałem że nawet jeżeli będzie piec pracował w trybie pompy równoległe to też powrót będzie prawie że równy temperaturze zasilania. Co o tym sądzisz ? Co o tym sądzą forumowicze ? ma ktoś tak wykonaną instalację jak mówię ? Jak to się ma z tym powrotem u was ?
-
@sambor dziękuję za podesłanie kontaktu, już się odzywam do kolegi może uda się rozwiązać ten problem bez 1000 monet. Mam jeszcze jedno pytanie odnośnie tego sterownika pokojowego, to jak on tak naprawdę działa ? Ja to widzę tak: Jak na tym sterowniku ustawię temperaturę zadaną np 22st. to sterownik kotła z tego sterownika pokojowego pobiera temperaturę otoczenia i tak reguluje zaworami mieszającymi na obwodzie OP i CO aby uzyskać przy sterowniku pokojowym te 22st. i gdy uzyska taką temperaturę to piec wchodzi w podtrzymanie dzięki temu mało opału pobiera. tylko jak on to ma sterować obwodem CO bez mieszacza ? Rozumiem że tylko będzie sterował zaworem od OP (i starał się utrzymywać zadaną temperaturę na OP np 34st aż do uzyskania temperatury 22st z sterownika pokojowego) a pompa od grzejników będzie cały czas pracowała i gdy kocioł otrzyma informację z sterownika pokojowego że ma 22 st to wtedy wyłączy pompę CO i OP i przejdzie w tryb spoczynku ? Przepraszam że tak wypytuję ale na śmieciuszku takich cudów nie ma 🙂 I muszę pojąć jak kotłem sterować jak kocioł reaguje na nastawy.
-
@sambor dodałem zdjęcie rozdzielacza, do niego można zamontować rotametry ? Czy te rotametry są krytyczne ? jeżeli tak dla czego ? 😞 zasmuciło mnie to.. tego nie przewidziałem w inwestycji... Mała moc kotła 10kw ? według cepłoapp niby 8kw to maks do mojego domu 120m2 użytkowej ściany bloczek komórkowy + 15cm styropianu grafitowego, w podłodze od 10cm do 15cm styropianu. Okna 3 szybowe + rolety zewnętrzne ale nie zawsze zasłaniane na noc. Niestety wentylacja grawitacyjna może kiedyś będzie rekuperacja. Ten kocioł nie pociągnie CWU i Ogrzewania w pompach równoległych ?
-
dziękuję @Tsa78 ale to co piszesz to dla mnie trochę Rocket Sience 🙂 pozwól że zostanę przy swoim trywialniejszym problemie. @sambor to co piszesz: To jest bardzo fajny argument 🙂 przemawia do mnie. Jednak nie do końca widzę jak to powinno być rozwiązane. Czy tak jak na tym schemacie ? Znalazłem go tutaj na forum. oczywiście układ byłby wykonany bez zaworu VTA372 na zasilaniu CO Grzejniki. Ok jeżeli byśmy wykonali instalację wzorując się tym schematem to jak tym się steruje ? Mianowicie pompa kotłowa powinna mieć wydajność sum pomp CO + Podłogówka + CWU, ale czy tutaj pompa od CWU będzie schładzała sprzęgło ? Nie dotrze do niego tyle mocy ile powinno ? Rozumiem że charakterystyka pomp powinna być ustawiona następująco: 1. Pompa CWU Charakterystyka Stało Obrotowa 2. Pompa od podłogówki Charakterystyka Różnicy ciśnień 3. Pompa od Grzejników powinna mieć charakterystykę proporcjonalną ze względu na głowice termostatyczne na grzejnikach. I czy ta pompa od CWU nie zaburzy pracy sprzęgła ? Nie przełoży się to na większe spalanie ? I czy w takiej konfiguracji trzeba grzać w trybie pompy równoległe ? czu raczej priorytet CWU ? I czy po wyłączeniu pompy CWU nie będzie wychładzała zbiornika CWU pompa kotłowa ?(wydaje mi się że nie bo zabezpieczy to ZZ na zasilaniu CWU) I jeszcze pytanie jak piec ma sterować obiegiem grzejników bez zaworu mieszającego ? Znalazłem takie zdjęcie tego sterownika i tutaj jest otwarcie zaworu CO na 40% i tutaj wydaje mi się że gdy ustawi się zasilanie na grzejniki 50st. to kocioł będzie dbał by na grzejniki szło te 50st a na podłogę na przykład 34st. Dzięki czemu kocioł będzie w pełni sterowalny i będzie na pewno dobrze funkcjonował z regulatorem pokojowym a co za tym idzie niższe spalanie ?
-
Tak właśnie nim się sugerowałem, w filmach zapraszał do kontaktu na jego grupię na FB bo tam przecież pomagają i rozwiewają wszelkie wątpliwości a banowane są tylko posty dotyczące handlu itp., i gdy tam poruszyłem te tematy instalatorskie i jak to powinno być wykonane to usunął post i gdy pytałem o uzasadnienie czemu tak się stało to moim zdaniem w pokrętny sposób chciał powiedzieć że to wiedza tajemna... a jak nie wiadomo o co chodzi to wiadomo o co chodzi. Nie chcę aby to miało negatywny rozdźwięk ma prawo prowadzić politykę grupy jaką chce. Więc zostawiam to każdemu do własnej opinii. Wracając do tematu, to właśnie tam oglądałem jak kotłownie są wykonywane. I z moich obserwacji (może są błędne) wydedukowałem że właśnie w takim typie domku czyli Co+ Podłogówka + CWU ta firma opiera swoje rozwiązania na grupie pompowej z 3 torami, oczywiście co domek i kotłowania to inne mogą być rozwiązania. I dla tego poszukuję rozwiązania które będzie najbardziej ekonomiczne podczas eksploatacji, i będzie bezpieczne dla kotła i użytkownika. A tym bardziej że już miałem przeprawę z kotłownią... nawet na tym forum jest rozwiązanie mojego problemu 🙂 I do tej pory kotłownia działa bez zarzutu po przeróbkach sugerowanych tu na forum, ale czasy się zmieniły i prawo wymaga zmiany pieca, ale nie o tym wątek.
-
Dziękuję sambor za zainteresowanie tematem! A tym bardziej od takiego weterana forum 😄 Nie mam doświadczenia z takimi kotłami i z taką automatyką. Na śmieciuchu było dużo prościej. Powiedz proszę jakie są argumenty za CWU przed sprzęgłem a nie na grupie pompowej za sprzęgłem ? Jak powinna wyglądać grupa pompowa czy CO i Podłogówka powinny mieć mieszacze czy tylko mieszacz na podłogówce ?
-
Cześć forumowicze. Czeka mnie modernizacja kotłowni z śmieciuszka na pelleciaka SAS Bio Compact PLUS 10kw. Mam kilka pytań co do wykonania instalacji. Mianowicie instalacja będzie oparta na sprzęgle hydraulicznym oraz grupie pompowej. I tutaj pytania 🙂 jak to powinno być wykonane aby to było efektywne i bez problemowe. Czy grupa pompowa powinna wyglądać następująco: 3 tory: 1 tor Ogrzewanie grzejnikowe z głowicami termostatycznymi: Pompa bez mieszacza. 2 tor Ogrzewanie podłogowe rozdzielacz bez Rotametrów 7 obwodów: Pompa z mieszaczem 3 tor CWU: Pompa bez mieszacza no i 4 pompa przed sprzęgłem na obiegu kotłowym wydajność pompy równa wydajności pomp na grupie pompowej. też słyszałem o rozwiązaniu że CWU powinno być wpięte w obieg pompy kotłowej, jak to w końcu powinno być ?
