us07
Forumowicz-
Postów
27 -
Dołączył
-
Ostatnia wizyta
Typ zawartości
Forum
Wydarzenia
Blogi
Artykuły
Treść opublikowana przez us07
-
Kominek Z Płaszczem - Za Niska Temperatura Wody
us07 odpowiedział(a) na us07 temat w Kominki, kozy i inne piece
Moc kominka 12kW rura 100 o dł ok 4m z 3 kolanami po drodze -
Kominek Z Płaszczem - Za Niska Temperatura Wody
us07 opublikował(a) temat w Kominki, kozy i inne piece
Witam. Mam problem z dogrzaniem wody w płaszku kominka. Problem występuje jeśli tylko temp. na zewnątrz jest wyższa niż -5'C. Drewno w kominku kiepsko się spala i otrzymuję w układzie temp. 52'C max 56'C czyli nie zlbiża się nawet to poziomu automatycznego odcięcia powietrza ustawionego na zakres 60'C. Podczas mrozów całoś pracuje prawidłowo, bez broblemu osiągam temp. nawet 70'C Kilka danych: Komin o wysokości 7m, czysty - kominiarz czyścił 2 mce temu Drewno sezonowane 2 lata Do kominka ( pod posadzką) podłączona rura 100mm doprowadzająca powietrze z zewnątrz. p.s. kiedy otworzę drzwiczki kominka widocznie zwiększa się ciąg i palenisko mocniej się rozpala. W czym może byc problem? Pozdrawiam Krzysztof -
Przepływ Przez Naczynie Wzbiorcze/kominek W Układzie Otwartym
us07 odpowiedział(a) na us07 temat w Kominki, kozy i inne piece
Panowie tak właśnie się działo... Zakręciłem odpowietrznik automatyczny znajdujący się przed pompą i cały układ działa cicho, pompa tez pracuje dużo ciszej bez powietrza w obiegu. pasik1002 wielkie dzięki za podpowiedź Hermogenes dzięki za wytłumaczenie zjawiska :) -
Przepływ Przez Naczynie Wzbiorcze/kominek W Układzie Otwartym
us07 odpowiedział(a) na us07 temat w Kominki, kozy i inne piece
tak - mam odpowietrznik automatyczny przed i za pompą. Myslisz, że to może być przyczyną zapowietrzanią się układu otwartego? Myślałem, że odpowietrznik odpowietrza a nie napowietrza... :) ale ja sie nie znam i może wyjaśnisz mi w czym problem...? -
Przepływ Przez Naczynie Wzbiorcze/kominek W Układzie Otwartym
us07 odpowiedział(a) na us07 temat w Kominki, kozy i inne piece
Czujnik temperatury wody mam zamontowany przylgowy izolacji na wyjściu z kominka. Wskazania temp 65'C są prawidłowe, praktycznie taka sama temperatura jest na termometrze na wejściu do wymiennika w kotłowni. Z tego wynika, że woda się nie zagotowuje... Bulgotanie jest na tyle upierdliwe, że wieczorem kiedy jest cicho nie słyszę telewizora :) w pokoju gdzie zamontowany jest kominek. Wczoraj podirytowany hałasem wyłączyłem na chwilę pompy, zabulgotało na maxa, odpowietrzyło się i było już znacznie ciszej... Obawiam się tylo, że przy kolejnych grzaniach kominkiem "bulgotanie" powróci a nie chcę bawić się ciągle w zatrzymywanie pomp by "ręcznie" odpowietrzać układ... -
Przepływ Przez Naczynie Wzbiorcze/kominek W Układzie Otwartym
us07 opublikował(a) temat w Kominki, kozy i inne piece
Witam. Mam kominek z plaszczem wodnym w układzie otwartym z naczyniem wzbiorczym. Problem polega na tym, że przy pracującym rozgrzanym obiegu (temp. pracy ok 65'C ) co jakieś 30s słysze głośne "bulgotanie"... wygląda na to, że woda zasuwa do góry, do naczynia wzbiorczego i przelewa się przez nie, głośno bulgocząc. Woda nie przelewa się do kanalizy i wraca do obiegu grzewczego. Co może być przyczyną takiego przepływu przez naczynie? -
Czy na dzień dzisiejszy można jeszcze tak przerobić istniejącą instalacę by dla biura wydzielić oddzielny obieg grzewczy? Piszesz, że potrzebne byłyby 2 vitortole... czy na drugim obiegu (biuro) mógłbym zastosowac serowanie tylko za sprawą pogodówki i termostatu na grzejniku? Jakiego osprzętu potrzeba by wydzielić drugi obieg? jakie orientacyjne koszty osprzętu z tym związane ? - oczywiście nie licząc usługi..
-
Teraz mam podłączonego Vitotrola 200A i jak wspominałem temat zał. i wył. kotła w domu mam załatwiony na 100% - jestem zadowolony. Problemem jest to, że kominek w domu oddaje do otoczenia ciepło jeszcze przez kilka godzin po wygaszeniu. W tym czasie vitotrol widzi dostateczną temp.w pomieszczeniu wiodącym a w biurze następuje wychłodzenie...niestety...
-
Termostat ok - jakiś konkretny model? Czy kocioł fabrycznie posiada takie wejście do wysterowania jego pracy za sprawą termostatu? Wiadomo, że kocioł nie może byc na pełnym wyłączeniu, musi pracowac pompa CO i musi też działać jako fukcja CWU. Jak się to rozwiązuje?
-
regulację na termostatach grzejnikowych miałem wcześniej i był z tym problem... kocioł nie widział temperatury wygenerowanej przez kominek z płaszczem wodnym (zapomniałem o nim wspomnieć) i pomimo tego, że miałem w domu ok 23'C kocioł gazowy grzał swoją drogą...
-
czy mogę to jeszcze na tym etapie dorobić? czym będę wtedy sterował obie pętle? jakie z tym są związane koszty, co musiłbym założyć?
-
WItam. Mam kocioł gazowy Viessmann Vitodens 200 WB2A z czujnikiem pogodowym i od kilku dni czujnikiem pokojowym Vitotrol 200. Po podłączeniu Vitotrola prawie wszystko zadziałało tak jak chciałem ale: - dlaczego sterowanie na podstawie temp. z pomieszczenia odbywa się tylko w dziennym trybie pracy kotła? w trybie nocnym/zredukowanym kocioł nie bierze pod uwagę odczytanej temp. pomieszczenia za sprawą vitotrola. Czy można to przekonfigurować? I teraz najważniejszy problem: Przy domu w odległosci ok 20m mam biuro o powierzchni 25m2 a w nim grzejnik zsilany z kotłowni w domu. Kociaoł odczytuje wskazania czujnika pokojowego znajdującego się w domu i wyłącza pracę palinka po osiągnieciu np. 22'C w salonie. Nietety biuro wychłada się szybciej i w efekcie tego mam w nim niższą niż w domu temp. Doradzicie coś? Czy można w jakiś sposób oddzielnie wysterować? - chodzi o jedno pomieszczenie i jeden grzejnik :)
-
Kominek Z Płaszczem, Pompa Co Nie Przepycha
us07 odpowiedział(a) na us07 temat w Kominki, kozy i inne piece
ok - czyli jest jak jest, sterownika kotła nie będę już zmieniał... nie wiedziałem nic na temat kotłów,kominów itp... nikt mi też nie doradził na etapie zakupu 5 lat temu... Gdyby podłączyć kominek do kotła tak jak było w zeszłym roku - czyli równolegle i dodatkowo podłączyć do kotła sterownik pokojowy Vitotrol 200 to nie byłoby problemu z podwójnym grzaniem (kominek/kocioł)... Dobrze myślę? -
Kominek Z Płaszczem, Pompa Co Nie Przepycha
us07 odpowiedział(a) na us07 temat w Kominki, kozy i inne piece
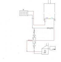
tak - zasilanie z wymiennika podpięte pod powrót z kotła gazowego... tego typu rozwiązanie zaproponował instalator z firmy zajmującej się kotłami i tak zostało to przerobione Wyjaśnienie dlaczego: Mak kocioł Viessmann Vitodens 200 WB2A z czujnikiem pogodowym, bez czujnika temp. w pomieszczeniu... Obecna konfiguracja ma za zadanie wpuszczać ogrzaną wodę w powrót kotła po to by "go oszukac" - kocioł w ten sposób widzi wysoką temperaturę na powrocie i nie dogrzewa... W zeszłym roku miałem podpięcie równoległe i kominek ogrzewał swoją drogą a kocioł swoją... temperatura na powrocie była na tyle niska, że kocioł pracował pomimo rozpalonego kominka... Dla rozjaśnienia podpinam schemat obecnej instalacji -
Witam. Mam problem związany z przekazaniem ogrzanej wody z wymiennika do obiegu CO. wyjście z wymiennika po stronie CO czyli zasilanie mam podpęte pod powrót kotła gazowego. Problem polega na tym, że pompa wymiennika pracuje i gorąca woda wchodzi do kotła. Nie dostaje się jednak w 100% do obiegu CO do czasu włączenia pompy w kotle gazowym. Jak tylko pompa w kotle wystartuje grzejniki robią się ciepłe. Niby to nie problem bo kiedy kocioł przełączę na CWU+CO to pompa pracuje i kominek przekazuje ciepło do instalacji CO. Kiedy natomiast na dworze jest jeszcze całkiem ciepło i kocił pracuje w trybie TYLKO CWU i chciałbym dogrzac dom kominkiem to ciepła woda z wymiennika nie przedostaje sie przez kocioł do obiegu CO... i tu pojawia sie problem... Dajcie znać w czym może byc problem? Z góry dziękuję.
-
Zawyżona Temperatura Czujnika W Płaszczu Kominka
us07 odpowiedział(a) na us07 temat w Kominki, kozy i inne piece
Zamykam temat. Założyłem odpowietrznik w miejsce do tego wyznaczone, czujnik przeniosłem na rure-wyjście ogrzanej wody z kominka, zaizolowałem go termicznie i wszystko bra i buczy... p.s. sterownik nie ma korekty wskazań czujnika, wskazania czujnika "pływały" w zkresie błędu +10 do +25'C p.s.2 Emus dzięki p.s.3 Mam jeszcze jeden problem, założe nowy temat bo dotyczy innego zagadnienia -
Zawyżona Temperatura Czujnika W Płaszczu Kominka
us07 odpowiedział(a) na us07 temat w Kominki, kozy i inne piece
Nie nie mam dostępu do zaworu bezpieczeństwa.... Obudowa kominka jest już od 1,5 roku zbudowana. Instlator musiał juz 1 raz wyciąc otór techniczny w obudowie w celu umożiwienia dostępu do tego czujnika... -
Zawyżona Temperatura Czujnika W Płaszczu Kominka
us07 odpowiedział(a) na us07 temat w Kominki, kozy i inne piece
Wielkie dzięki z wszelkie informacje... Byłem w firmie instalatorskiej kupiłem otyulinę, odpowietrznik, "kolanko" i zamonotuję czujnik metodą przylgową do rury wylotowej kominka. Jeśli chodzi o sterownik to jest sprawny - sprawdzałem rezystorem nastawnym i wskazania sterownika dla podanych przez producenta czujnika wartości były poprawne. podłączyłem tez inny czujnik i wskazania były poprawne. Podczas wizyty w firmie instalatorskiej gość nie mógł uwierzyć, że nie zamontowano mi odpowietrznika w kominku... po krótkiej wymianie zdań pokazałem gościowi zdjęcia z instalacji kominka i twierdzi, że mam tam max buble zrobione... nie do końca wiem o czym mówił ale twierdził, że dopuszczanie wody mam jakoś dwustronnie i dodatkowo pompa pracuje na "luzie" bo woda nie płynie tą rurą co trzeba tylko przez zbiornik przelewowy i sprawność kominka nie jest taka jak mogłaby być. Doczepił się też do miejsca instalacji czujnika zaworu bezpieczeństwa.... ahhh.. jak pisałem nie znam się na tym do końca i pewnie znów chaotycznie opisuję, wkleję więc fotki - oceńcie sami porty_instalacyjne.pdf -
Zawyżona Temperatura Czujnika W Płaszczu Kominka
us07 odpowiedział(a) na us07 temat w Kominki, kozy i inne piece
mak - tobie także dziękuję i sorrki za chaotyczną forme wypowiedzi - wynika to z faktu, że jestem informatykiem i nie do końca potrafię ubrać w słowa tematy z Waszej branży :) W skócie chodzi o to, że wg. sterownka mam w płaszu temp. 70'C, natomiast w kotłowni na wejściu zasilania wymiennika ( odległość ok 4m bez odbiorników ciepła) termometr analogowy wskauje 45'C i jest to temp. faktyczna ! Sterownik odczytuje temp płaszcza zawyżoną o ok 20'C (sterownik sprawny na 100%, czujnik temp, także sprawny) Mam nadzieję, że udało mi się trochę rozjaśnić temat... -
Zawyżona Temperatura Czujnika W Płaszczu Kominka
us07 odpowiedział(a) na us07 temat w Kominki, kozy i inne piece
emus - dzięki za odp. piszesz żebym czyjnik zaizolował termicznie... mam czujnik oporowy (walec o średnicy ok 4mm i długości 4cm) czym mogę go przymocować do rury wylotowej (metalową opaską zaciskową?) czym zaizolować termicznie by w temp. obudowy kominka nie uległo stopieniu? -
Zawyżona Temperatura Czujnika W Płaszczu Kominka
us07 opublikował(a) temat w Kominki, kozy i inne piece
Witam. Mam problem z czujnikiem temperatury sterownika w kominku z płaszczem wodnym. Kominek Bef Aqua start 8. Kominek ma zamontowany zawór bezpieczeństwa z czujnikiem temperatury zamontowanym w wyznaczonym do tego miejscu i tu wszystko jest ok. Niestety w obudowie wkładu nie ma juz następnego miejsca na czujnik do pomiaru temperatury w płaszczu podłączony do sterownika, który steruje pracą pomp. instalator zamonował czyjnik temp. w miejscu odpowietrznika (najwyższy punkt wkładu) i efekt jest taki, że po nagrzaniu się kominka i jego obudowy następuje przekłamanie pomiaru sterownika o jakieś 20-25'C Wpływa to na to, że sterownik widzi temp np. 70'C, zamyka dopływ powietrza i trzyma temperaturę w palenisku w tym zakresie. Na wymiennik trafia jednak woda o temp. 45'C co jest wartością niewystarczającą. Podpowiedziano mi żeby w miejsce odpowietrznika (tam gdzie teraz jest czujnik temp.) założyć trójnik i do niego wkręcić odpowietrznik i czujnik temperatury. Czy czujnik ten nie będzie łapał dodatkowej tmp. z obudowy kominka i nagrzanego wkładu? Należy go jakoś izolować? Ponoć odpowietrznika Watts na 160'C mogą pracować w obudowie kominka i nie ulegną uszkodzeniu od temp. Jak widzicie ten temat? Czy tylko u mnie występuje problem z brakiem miejca na czujnik temp. sterownika? Jak go rozwiązać?
