Skocz do zawartości

maverick101

Forumowicz
  • Postów

    7
  • Dołączył

  • Ostatnia wizyta

Treść opublikowana przez maverick101

  1. Dziiękuję wszystkim za rady i wypowiedzi. Zamykam temat.
  2. Krzysk2 odpowiedz mi, jak funkcjonuje Ci pętla podłogówki na piętrze zasilana z mieszacza na parterze. Czy odpowietrznik tzw. "wyniesiony" powyżej poziomu pętli zdaje egzamin, czy dobrze odpowietrza pętlę ?. Może któryś z forumowiczów ma tak zrobione i mógłby dodać komentarz.
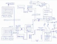
  3. Witam czytających ten post. - jak pisałem wcześniej kocioł sterowany będzie Logamatic RC 35 i pogodówką jeszcze nie wiem jaką, - sprzęgło hydrauliczne chyba raczej niepotrzebne, bo służy raczej do rozdzielenia obiegu kotłowego od grzewczego dla kotłów węglowych, gdzie zachodzą duże różnice temp. wody podczas pracy; tutaj precyzyjne nastawy 70°/55°/20°C, - średnice rur zasilania i powrotu rozdzielaczy c.o. faktycznie dam ? 25, tak samo pion c.w.u., cyrkulacja ? 16 z pompą cyrkulacyjną sterowaną czasowo, - grzejnik VK-profil 22/600/2300 zawiesiłem na 4 wieszakach, podłaczenie PEX 20 bez problemów, - zasilanie i powrót podgrzewacza c.w.u. ? 25 ( na schemacie ? 20 ), - naczynia wzbiorcze ( dzięki sambor za link do programu i uwagi ) wyliczyły się: 18 l. dla c.o. i 8 l. dla c.w.u. Twoje szacunkowe NW 18 l. potwierdził program - ukłony dla waszeci. - turborura pow.-spal. max.4 m z jednym kolanem 90 ° jest na granicy prawidłowej pracy kotła, jeśli dobrze zrozumiałem na stronie buddoc.mindgroup, idealnie pasuje mi do kotłowni, choć dotyczy innego starszego modelu kotła kondensacyjnego. Do mojego GB022-24 nie znalazłem takich wytycznych, szkopy coś ukrywają, albo za mało gmyrałem w instrukcjach producenta. Jeśli ktoś zna prawdę w tym temacie, to proszę o namiary. - pętle podłogówki rzeczywiście zaplanowałem duże i zróżnicowane, jakoś się z nimi uporam ( podzielę na mniejsze wg sugestii sambor-a) Pytanie-czy ktoś stosował odpowietrznik "wyniesiony" podłogówki na piętrze z zasilaniem z rozdzielacza na parterze? proszę choćby o jedno zdanie czy to działa, podobno tak. - teraz trochę wyników obliczeń: - moc grzejników płytowych i drabinkowych ~16 kW - moc podłogówki ( teoretyczna 700W/m² ) ~12,6 kW - poj. wodna grzejników ~92,6 - poj. wodna pętli podłogówki ~22,6 l - poj. wodna rur zasilajacych ~38,4 l - wody w c.o. - zład ~154 l - moc podgrzewacza c.w.u. makaroniarze podają ~30kW - przepływ podgrzewacza c.w.u. max. ~800 l/h - do solarów w przyszłości miedź miękka ?18 Mój kolega instalator z odległej miejscowości stwierdził, że przy tym kotle (buderus GB022-24 ) można śmiało instalację przy kotle i podgrzewaczu zrobić w PEX/AL/PEX ?25, ale jakby co to mam zapas miękkiej miedzi i zaciskarkę i wtedy kotłownię można by urządzić w miedzi. Nie wiem co wybrać - może ktoś coś doradzi z własnej praktyki. W PEX-ie czy miedzi ?. Wszelkie uwagi mile widziane :-)) Pozdrawiam i proszę o podpowiedzi.
  4. Chciałem odświeżyć temat i przeprosić za długą nieobecność na forum. Zamieszczam lekko zmodyfikowany schemat instalacji i trochę obliczeń. 1) Strumień wody dla największego grzejnika VK 22/600/2300 o mocy nominalnej 3196 W wynosi G=170 kg/h, więc zasilanie rurką fi 20. 2) Strumień wody dla najbardziej oddalonego od źródła zasilania grzejnika VK 33/600/1000 o mocy1953 W wynosi G=112 kg/h, i chociaż max. przepływ dla fi 16=85 kg/h to zostawię zasilanie fi 16. 3) Objętość zładu c.o. : poj. wodna grzejników= 74 l + obj. wody w rurach= 42 l czyli razem 116 l. 4) Naczynie wzbiorcze c.o. to 4% zładu, więc 4,64 l. Przyjmę naczynie wzbiorcze 12 l o przestrzeni wodnej 6 l. Podejście rurką fi 25, bo przyłącze naczynia jest 3/4". 5) Naczynie wzbiorcze obiegu c.w.u. przyjmę 8 l. 6) Instalację w kotłowni chcę wykonać w pex/al/pe wavin, tak jak całą instalację c.o. i c.w.u. Mam jeszcze wątpliwości co do długości rury powietrzno-spalinowej turbo, czy nie za długa. Dziękuję za wszelkie uwagi.
  5. Czy obliczenie objętości zładu może pomóc ustalić średnicę pionu c.o.? W dokumentacji tech. kotła nie ma danych o wydajności "wodnej" kotła
  6. Wyjście z kotła na co i powrót są 3/4", a więc fi 20. Moc kotła 24 kW - to dużo. Miałem taki zamysł, żeby pion c.o. zrobić fi 25, bo może być za mało wody w przypadku fi 20. Ale wejście i wyjście z kotła 3/4"...Sam nie wiem...
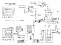
  7. Witam szanowne grono. Do rozpatrzenia i zaopiniowania chcę przedstawić schemat instalacji c.o. i c.w.u., który zamierzam zrealizować w moim domu. Spłodziłem go na podstawie wiedzy internetowej, więc przygotowany jestem na ostrą krytykę ;) . A oto dane ogólne: 1. budynek 2- kondygnacyjny, ściany zewn. z betonu komórkowego gr. 30 cm., elewacja ze styropianu gr. 10 cm. 2. ocieplenie stropu poddasza wełną mineralną gr. 30 cm. 3. okna z profilu 5-komorowego, 4. powierzchnia do ogrzania: - mieszkalna - 150 m kw., - garaż - 36 m kw. 5. kocioł 1-funkc. kondensacyjny, zamknięta komora spalania, moc 24 kW, posiada : - pompę obiegową ( moc ani wydajność chwilowo nieznane) - zawór 3-D przełączający c.o. na c.w.u. - naczynie wzbiorcze poj. 7,5 litra, - zawór bezpieczeństwa na obiegu grzewczym, - sterowanie pogodowe, - sterowanie pokojowe, 6. pojemnościowy podgrzewacz c.w.u. poj. 120 litrów. 7. układ mieszający podłogówki sterowany zaworem termostatycznym z kapilarą zanurzoną, 8. pętla podłogówki na piętrze odpowietrzana odpowietrznikiem aut. wyniesionym ( podobno to działa), zasilana z rozdzielacza na parterze. Każda uwaga będzie mile widziana :) . Pozdrawiam.
×
×
  • Dodaj nową pozycję...

Powiadomienie o plikach cookie

Używając tej strony zgadzasz się na Polityka prywatności.