Skocz do zawartości

lsde

Forumowicz
  • Postów

    16
  • Dołączył

  • Ostatnia wizyta

Osiągnięcia lsde

Ciekawy

Ciekawy (3/14)

  • Pierwszy post
  • Współtwórca
  • Tydzień pierwszy zaliczony
  • Miesiąc później
  • Od roku na pokładzie

Najnowsze odznaki

0

Reputacja

  1. w tej chwili mam podpiętą pompe i tłoczy wode też na ten pion, myśli Pan że przy zastosowaniu tej pompy przed zaworem czterodrożnym moge mieć problem z regulacją/mieszaniem??
  2. guitar, czy takie podłączenie grzejników na wspólnym pionie ze zb. wyrównawczym może w przypadku gotowania sie wody nie zadziałac?? stara instalacja w stali była tez tak wykonana, no cóż mój błąd że wcześniej nie pomyślałem i wykonałem w miedzi to samo co było w stali:(
  3. quitar co Pan myśli o tym???
  4. witam, nie moge sie z wami do końca zgodzić, mimo że do pionu zbiornika wyrównawczego podpięte są dwa grzejniki to spełnia on swą funkcje, oczywiście wielka racja że pion ten powinien być podpięty bezpośrednio za piecem bez dodatkowej armatury. Pompa która jest na obiegu małym będzie zasilać te dwa grzejniki plus CWU, powinna ona chodzić bez przerwy, natomiast przed zbiornikiem CWU chce wstawić elektrozawór odcinający normalnie zamknięty który będzie wysterowany przez sterownik kotła w razie niskiej temperatury wody użytkowej. Druga pompa rozprowadzi wodę na obiegu za zaworem czterodrożnym.
  5. przyznaje sie że nie... ale jak będe mieć piec na ekogroszek to też sie nie bedzie gotowała
  6. nie problem pociągnąc rure tyle że ten układ juz pracuje tak ponad dwa lata, zero problemów a co gorsze mam już zrobione dwie łazienki i musiał bym pruć kafelki żeby dodac tą rure...
  7. witam, a jak wyjde z pionem na naczynie przed pompą to czy pompa dopompuje wodę do grzejników? Niestety ten pion mam już gotowy i nie mam możliwości wyjścia osobną rurą na zbiornik wyrównawczy
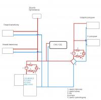
  8. witam, bede przerabiał instalację CO, wymiana pieca na Cichewicz Futura eco mini 21KW ale mam mały problem. Mam już wykonany jeden pion prowadzący do zbiornika wyrównawczego i są na nim podpięte dwa grzejniki na dwie łazienki(po jednym na parterze i piętrze ). W związku z tym będe potrzebował min 2 pomp w instalacji, pierwsza do pompowania wody w małym obiegu przed zaworem czterodrożnym, druga do pompowania za czterodrożnym, wysyłam uproszczony schemat, co o tym myślicie??
  9. wiesz zastanawiać się nad czym jest, bo 5 litrowy pojemnik na popiół to według mnie jest kpina, ja sie tez nad tym kotłem zastanawiam ale nie po to kupujesz pieca z podajnikiem zeby dwa razy dziennie biegac wysypywac popiół!! ja zastanawiam sie obecnie nad gaurem, defro akm albo nad zębcem kpm, wybór trudny nawet bardzo
  10. rozmawiałem dzisiaj z producentem, ten kocioł jest wyposażony w sterownik ST81 z PID, z tego co mówił mi pracownik Zębca, piec bardzo dobrze się sprawował na miale|(testy w laboratorium ) , połknie też bez problemu groszek dla mnie główną zaletą tego kotła są wymiary, znany i pewny producent oraz możliwość bezproblemowego palenia metodą tradycyjną drewnem, węglem i koksem!! przy wykorzystaniu miarkownika ciągu lub dmuchawy gdybyście mieli jakieś spostrzeżenia na temat tego pieca to piszcie
  11. czy posiada ktoś kocioł Zębiec KPM DUO? Jest to ciekawy kocioł szczególnie jak ktoś ma ograniczenia w wymiarze kotłowni Może ktoś ma jakieś informacje na temat tego kotła?
  12. dzięki ale juz i tak mam za duży wybór
  13. nie wiecie może czy nowe kotł maximus są wolne od tych wad??
  14. lsde

    Hef Maximus

    jeśli ktoś pali dłużej niż kilka tygodni kotłem HEF MAXIMUS 25 KW proszę o podzielenie się informacjami na temat jego pracy
  15. tez sie zastanawiam nad kotłem Lazar Multi-Komfort jednak on ma zbyt mały pojemnik na popiół oraz sprawność 78%
×
×
  • Dodaj nową pozycję...

Powiadomienie o plikach cookie

Używając tej strony zgadzasz się na Polityka prywatności.