Skocz do zawartości

unikal

Nowy Forumowicz
  • Postów

    3
  • Dołączył

  • Ostatnia wizyta

O sobie

  • Płeć
    Mężczyzna
  • Lokalizacja
    Piła

Osiągnięcia unikal

Żółtodziób

Żółtodziób (2/14)

  • Pierwszy post
  • Tydzień pierwszy zaliczony
  • Miesiąc później
  • Od roku na pokładzie
  • Starter dyskusji

Najnowsze odznaki

0

Reputacja

  1. Proszę o opinie czy zaprojektowany układ jest poprawy i zgodny ze sztuką......
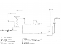
  2. Witam. Proszę o opinie co sądzicie o moim schemacie C.O. + C.W.U. który zamierzam zbudować. Proszę o ewentualne uwagi i poprawki, sugestje jest źle
  3. Na początku zaznaczam ze jestem w tym zielony Możecie mi wyjaśnić po co instalować w układzie C.W.U pompę cyrkulacyjną. Czy uklad ten może sie obejść bez niej?
×
×
  • Dodaj nową pozycję...

Powiadomienie o plikach cookie

Używając tej strony zgadzasz się na Polityka prywatności.