loco159
Forumowicz- 
                
Postów
14 - 
                
Dołączył
 - 
                
Ostatnia wizyta
 
Ostatnie wizyty
Blok z ostatnimi odwiedzającymi dany profil jest wyłączony i nie jest wyświetlany użytkownikom.
Osiągnięcia loco159
- 
	
Cyrkulacja instalacji CWU na osobnym rozdzielaczu
loco159 odpowiedział(a) na loco159 temat w Instalacje CO i CWU
w sumie nie myślałem nad sterowaniem obiegami jeszcze ale mam 3 rozwiązania tak na szybko. Albo przypiąć to pod piec gdzie mam osobne sterowanie na cyrkulację, albo przypiąć to do pompy ciepła (pompa do cwu z zasobnikiem), która również obsługuje programowalne włączanie i wyłączanie pompy cyrkulacji, lub po prostu najprostszym sposobem zegarkiem z programatorem podpiętym do kontaktu. Czyli wychodzi na to, że z tymi długimi odcinkami może być ciężko żeby się ogrzewały? - 
	
Cyrkulacja instalacji CWU na osobnym rozdzielaczu
loco159 odpowiedział(a) na loco159 temat w Instalacje CO i CWU
Chodzi o takie np rotametrowe regulatory przepływu jak przy rozdzielaczach podłogowych? Mogę mieć problem z zastosowaniem takich ponieważ belka ma tylko wyjścia z jednej strony. Inna sprawa jeśli przepływ mógłbym dławić zwykływ zaworkiem kulowym ale to tak na partyzanta troche. Czy są jeszcze jakieś inne rozwiązania? W hydraulice siłowej to bym wiedział co zastosować ale te inne medium, charakterystyka pracy i ciśnienia. Odcinki mam takoe że do kuchni to jakieś 15 m łazienka wszystkie punkty praktycznie równe po 10 m natomoast na drugim rozdzielaczu na poddaszu wszystkie odcinki są niemal identyczne mają po 3m. Odległość od trójnika do rozdzielacza na parterze i na poddaszu również prawie identyczna 3,5 i 4 m. Może być jakoś problem przeszkoda w działaniu tego systemu ? - 
	
Cyrkulacja instalacji CWU na osobnym rozdzielaczu
loco159 odpowiedział(a) na loco159 temat w Instalacje CO i CWU
Czy tak to ma być? - upewniam się, że nie robię błędów u mądrzejszych ode mnie ludzi - 
	
Cyrkulacja instalacji CWU na osobnym rozdzielaczu
loco159 opublikował(a) temat w Instalacje CO i CWU
Witam Pilna sprawa do zapytania. Przedstawiam uproszczony do minimum poglądowy schemat instancji cyrkulacji CWU (nawet zimnej wody nie rysowałem). Chodzi o to że mam rozdzielacz i do tego rozdzielacza, a właściwie dwóch, rurą będzie szła woda z cyrkulacji i rozdzieli się na trójniku pójdzie na poddasze a drugi na parter. Kwestia połączenia 1 przyłącze na rozdzielaczu cyrkulacji musi przypadać na jedno przyłącze poboru wody czy tak? Szukam i szukam na forum i u wuja google ale niczego co konkretnie mnie interesuje nie ma nigdzie dlatego napisałem tutaj. Czy takie połączenie jest prawidłowe? wiadomo na zbiorniku CWU potrzbne jeszcze przeponówka ale to głównie chodzi mi o te połączenia. Dlaczego cyrkulacja CWU w moim przypadku, ponieważ mam bardzo odległe odcinki poboru wody. Cyrkulacja będzie połączona 15 cm nad podłoga w każdym pomieszczeniu i będzie to połączenie w ścianie tak aby w razie awarii szło to odkuć ze ściany. połączenie ścianie rura PEX 20 ciepła woda na pex 16 cyrkulacja. Zasilanie do rozdzielacza cyrkulacji PEX 20. pompa cyrkulacji Wilo. - 
	Witam. Pytanie odnośnie automatyki sterowania ogrzewaniem podłogowym. Czy można tak podłączyć może ktoś tak ma zrobione. Do rozdzielacza nr 1 podpięta jest listwa np Afriso wb01 i do niej siłowniki otwórz/zamknij do sterowania strefami parteru i do tej listwy wpiete są też siłowniki z drugiego rozdzielacza umieszczonego na poddaszu. A więc jest zasilanie. Każda strefa ma osobny termostat pokojowy do regulacji temperatury w pomieszczeniu. Każdy z termostatów również jest podłączony do sterownika WB01 ale steruje siłownikami ktore są rozmieszczone w rozdzielaczu na parterze i pietrze. Czy to bedzie dzialać? Nie chce 2 osobnych listw sterujących jak to zalecają ale też nie chce samych termoststów podłączonych bezpośrednio do sterowników wolałbym to przepuścić przez jakiś centralny sterownik. Są jakieś limity dla długości kabli czy termostatów? Na szybkim rysunku przedstawiam jakby to było ze sobą podłączone. Nie ma tu żadnego sterowania pompkami itp itd gdyż za to odpowiada kompletnie coś innego a to założenie kontroluje tylko temperaturę w danym pomieszczeniu.
 - 
	
Prośba o poradę/ocenę projektu instalacji
loco159 odpowiedział(a) na loco159 temat w Instalacje CO i CWU
No ja nie wiem kto tu grał cfaniaka że "autorowi projektu nie chciało się szukać" i kto tu kogo obraża. Płakać z powodu nie napisania postu nie będę najwidoczniej nie ma Pan nic godnego uwagi do zaoferowania. Nie po to siedzę w temacie żeby czekać na gotowca tylko sam sobie coś przemyślam i poddaje dyskusji. Dziwne bo ani razu nigdzie nie użyłem stwierdzenia "ej chopy dajcie gotowca" jak zrobię po swojemu to wtedy opiszę i bedziemy widzieć czy to dziala czy nie i jak dziala bo to najważniejsze. Mam różne swoje pomysły ktore spokojnie mogę wykorzystać i też wiem że to bedzie działać bo to testowałem. - 
	
Prośba o poradę/ocenę projektu instalacji
loco159 odpowiedział(a) na loco159 temat w Instalacje CO i CWU
No dobrze kolego sambor tylko że powoli ten projekt zbliża się do moich powyższych rozwiązań z tym że z wywalonymi niepotrzebnymi zaworami drogowymi :) Faktycznie jest to uproszczone fajnie. Pytanie co jeśli zamiast sprzęgła byłby bufor 500L? i zamiast 1 grupy pompowej na podłogówkę 2 osobne? czy dalsze zawory zwrotne są konieczne? sprzęgło to też bufor tyle że pojemność wodna jest sporo większa. Bufor przeważnie ma 8 wyjść więc można zróżnicować temperaturę i np na podłogówkę już pchać chłodniejszą wodę wpięta na drugiej od górze mufie. Pierwsza jako główne wyjście pozostawić na cwu i grzejniki. Albo pozostawić tak jak jest z bufora grube rury i wysoką temperaturę pchać wszędzie już na podłogówkę i grzejniki. Co waszym zdaniem byłoby lepsze? Bo autor tematu ma swoje przemyślenie w tym temacie. Tak przy poniedziałku siać propagandę zawisłości i wredoty to tak nie ładnie. - 
	
Prośba o poradę/ocenę projektu instalacji
loco159 odpowiedział(a) na loco159 temat w Instalacje CO i CWU
Adoptując schemat kolegi do swoich potrzeb wychodzi mi coś takiego. Czy w takim ukladzie bedzie to wszystko działać? Pozostawiłem jednak sprzęgło hydrauliczne bo jeśli dam drugą pompę na układ podłogówki na poddaszu do rozdzielacza żeby nie próbowały się szarpać. Czy zamiast sprzęgła można byłoby wstawić tutaj bufor? Przecież to też jest sprzęgło tylko trochę większe. - 
	
Prośba o poradę/ocenę projektu instalacji
loco159 odpowiedział(a) na loco159 temat w Instalacje CO i CWU
Podoba mi się. Bardzo fajnie rozwiązane. Łącznie z tymi 3 grzejnikami na końcu ja tam bym wcisnął właśnie te moje 2 lazienkowe + garażowy żeby nie obciążać obwodu Cwu. A Pan może ma jakieś modele swojego osprzętu? Co tam ma Pan zastosowane? widzę Pan ma tutaj zastosowane sprzęgło hydrauliczne. 3 drogowe zawory sztuk 3 ale problemu ze sterowaniem raczej tutaj nie ma. - 
	
Prośba o poradę/ocenę projektu instalacji
loco159 odpowiedział(a) na loco159 temat w Instalacje CO i CWU
Aby nie być goło słownym wrzucam oryginał instalacji z projektu budowlanego z tym, że jak wspominałem założenia były takie, że na poddaszu są grzejniki stąd jak widać na schemacie są zaznaczone grzejniki. Generalnie założenia projektowe mówią o 3 rozdzielaczach a więc R2 do zasilania 3 grzejników na parterze R3 do zasilania 7 grzejników u góry i R1 który zasila również podłogówkę na parterze oraz łazienkę na poddaszu. Do zasilacza R1 konieczny jest mieszacz przy rozdzielaczu pozostałe R2 i R3 korzystają z mocy pompki jak na schemacie za zaworem 4 drogowym. Ja zamieniłem tylko ogrzewanie na górze o czym również wspomniałem że wstawiam tam drugi rozdzielacz i drugą grupę mieszającą przy rozdzielaczu aby zamiast grzejników zastosować tam podłogówkę. Chociaż właśnie chodzi mi o to, aby nie ładować tych mieszaczy czy grupy mieszającej do szafki w mieszkaniu, tylko żeby było to w kotłowni. Schemat z 1 posta ten na samej górze oznaczony jako oryginal z projektu to dokładnie to samo co przedstawiam tutaj z tym, że na tamtym schemacie od razu zaznaczona jest podłogówka na poddaszu i dołożona druga grupa do rozdzielacza no i może lepiej jest to tam poukładane niż tutaj na tym oryginale z projektu. - 
	
Prośba o poradę/ocenę projektu instalacji
loco159 odpowiedział(a) na loco159 temat w Instalacje CO i CWU
No właśnie tutaj jest wszystko mega proste. Zawór 3 czy 4 drogowy to dziś już raczej standard jest chociaż ja też jestem im przeciwny a może inaczej nie mam do tego przekonania. Wolałbym aby całkowicie ich nie było ale tak np przy podłogówce niestety, ale muszą, być coś musi tą wodę mieszać, aby tą wodę schłodzić. Mogę założyć poteżny rozdzielacz 13 pętlowy i załadować całą jedną dużą pompę aby pchała wodę o temperaturze 45oC (nastawa pieca) na całą instalację. Nie muszę tym źródłem w ogóle dogrzewać wody ponieważ za to odpowiada pompa ciepła. Grzejniki również mogę mieć pozakręcane bo to raczej jest "dodatek" i tak pewnie będą wiecznie pozakręcane. I teraz mi proszę wytłumaczyć jak ja przez całą instalację podłogową dmuchnę 45oC to ile jak ja gorąco w domu będę miał?? jak ja bym za piecem bezpośrednio na powrocie lub zasilaniu przy piecu tylko 1 pompkę założył i wrąbał na 2 rozdzielacze (6 i 7 obwodów) połączonych na trójniku to ta pompa tylko też sporych rozmiarów i mocy też by sobie z tym wszystkim poradziła i przepchała by tą wodę. Pojemność wodna instalacji w podłodze to jakieś 120 L będzie + pokemność wody w kotle. To jest moje najprostsze rozwiązanie. Ale nie bede pieca pelletowego grzał na temperaturę 45oC bo to bez sensu. Taż będzie on chodził non stop żeby tą wodę dogrzewać a i tak będzie ta woda zbyt gorąca. I to mam rozwiązanie tylko z 1 pompką bez zadnych mieszaczy itp itd. Woda ktora bedzie szla w podłogę i tak juz jest za gorąca. A co dopiero jeśli ustawię temperaturę wyżej jakieś 55oC to już potrzebuję koniecznie mieszadła żeby na podłogówkę pchać chłodniejszą wodę. No i proszę co zastosować żeby było dobrze skoro na schematach wszystko jest źle:) - 
	
Prośba o poradę/ocenę projektu instalacji
loco159 odpowiedział(a) na loco159 temat w Instalacje CO i CWU
Proszę Pana, a więc chciałbym poznać właśnie opinie co jest źle. Po to właśnie zostało to tutaj zamieszczone. Każdy projekt jest indywidualny i wymaga odpowiedniego dopasowania pod konkretny system. Szkoda więc szukać schematów po forum, które i tak niczego nie wniosą. Z pewnością nie znajdę takiego rozwiązania jakiego bym chciał zastosować. Więc czytając i obserwując Pana wypowiedzi w różnych tematach chciałbym się dowiedzieć co Pana zdaniem jest nie tak. - 
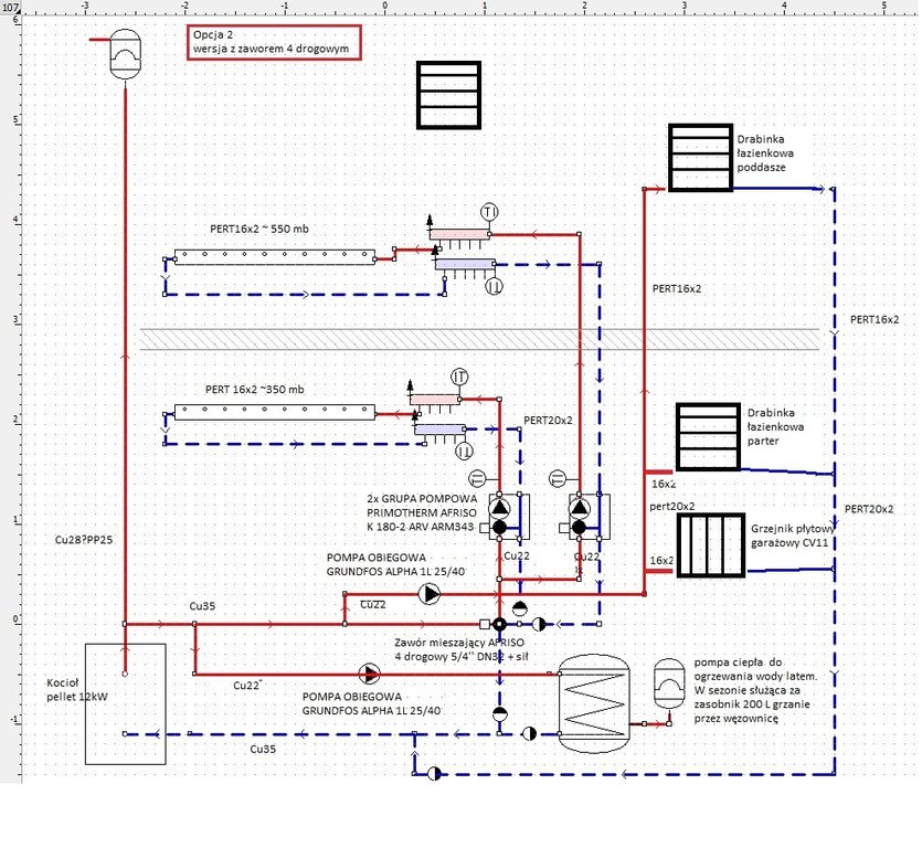
	Witam Państwa. Nie chcąc zakładać nowego tematu postanowiłem opisać moje przemyślenia w tym. W najbliższym czasie czeka mnie budowa instalacji c.o. w nowym domu stąd moje pytania o opinię czy w ogóle to co Państwu przedstawiam będzie działać i której z opcji powinienem się najbardziej trzymać. Jako, że jedna wersja zakłada zastosowanie bufora do pieca pelletowego to temat jak najbardziej pasujący. Źródłem zasilania będzie piec na pellet o mocy 12 kW. Myśląc o przyszłości instalacja powinna działać również plug&play gdybyśmy zamiast pelletu wstawili pompę ciepła - powietrzną. To chyba jedyne moje założenie. Proszę o porady co myślicie o takich rozwiązaniach i które wg opinii warto było by zastosować. Oryginalny projekt zakładał to co wskazuje poniżej. Co mi nie pasuje - mieszacze - grupy pompowe w szafkach stwierdziłem, że lepiej mieć to w kotłowni, aby wszystko było razem. Nie myślałem jeszcze na temat sterownia tym wszystkim to jest temat odrębny więc nie będę go tutaj poruszał. nie pasuje mi również zasobnik więc zamiast niego będzie pompa ciepła z zasobnikiem. Źródłem jest kocioł na pellet. W oryginalnym projekcie zastosowano zawór 4 drogowy - armaturę i rurki dobierałem sam więc miło będzie gdybym zobaczył pisemnie opinie w temacie użytych materiałów. W oryginale była też jedna inna rzecz - zamiast podłogówki na poddaszu było 7 grzejników. Zamiennie jest 7 kolektorów. A więc to co widzimy powyżej to układ oryginalny i wierzę, że ktoś to sprawdzał chociaż mam pewne wątpliwości. poniżej przedstawiam przerobienie a może raczej rozbudowę instalacji o inne elementy. Obraz zawiera również inne dane pomocnicze, wypisane z projektu itp. I tak: mamy tutaj bufor 500 L wpięty za kotłem. Pompa na powrocie z zaworem 3 drogowym. Chodzi o przepompowywanie wody pomiędzy buforem a kotłem. Nie wiem czy nie lepiej gdyby pompa była na zasilaniu i czy nie lepsza opcją byłoby wpięcie zasilana z kotła na bufor nieco niżej niż na samej górze. mamy tutaj nieco mniejszą średnice rur ponieważ jest bufor. Z samej góry bufora zasilanie idzie na 3 grzejniki (2 drabinki i 1 płytowy który prawdopodobnie będzie cały czas zakręcony - garaż). w tym przypadku bez pompy raczej się nie obejdzie więc musi zostać. Z tego samego źródła zasilany jest zbiornik pompy ciepła (zbiornik w sezonie będzie ogrzewany z kotła - latem to pompa ciepła) Aby rozdzielić nieco przepływy warto może byłoby zastosować zawór 3 drożny i większość ciepła "pchać" do grzania CWU zamiast na grzejniki. Nieco niżej na buforze wpięta kolejna nitka zasilająca tym razem podłogówkę czy tak może być? a Dlaczego tak? woda w tym miejscu jest nieco chłodniejsza a na podłogówkę nie ma potrzeby aby woda miała 60oC. Tak więc bezpośredni do grup pompowych opisanych na rysunku trafiała by już nieco chłodniejsza woda. Pytanie czy może być to układ jak na schemacie z jednego zasilania na 2 różne drogi - pompy? czy nie będzie tutaj walki pomiędzy pompami? Za pompami całość wychodzi sobie już z kotłowni i idzie na rozdzielacze do podłogówki. Oryginał projektowy to rozdzielacz 6 i 7 obwodów ale damy po 7 obwodów - jedne na parterze zostanie w rezerwie. Jeśli chodzi o podłogówkę robię wg projektu. Ale na instalację mam swój pomysł jak powyżej. Bufor zadziała nieco jak sprzęgło tylko takie w większym rozmiarze. Czy to co jest powyżej to dobrze myślę? łączenie ze średnicami rur i połączeniami czy tak mogłoby być? 2 Opcja przedstawiona poniżej to rozwiązanie zbliżone do oryginalnego projektu: Zastosowałem tutaj zawór 4 drogowy oraz 2 grupy pompowe te same co poprzednio, z tym że są one w kotłowni jak w przypadku instalacji z buforem, a nie jak w przypadku oryginalnego projektu, gdzie grupy mieszające są przy rozdzielaczach. Czy tak może być? czy w takim przypadku jak tutaj rurki mógłby być o takich średnicach czy coś należałoby korygować? Tutaj również inna zmiana względem tego co przedstawiał oryginał mianowicie pompa obiegowa na grzejniki ucieka z głównej nici zasilania na mniejszą średnicę na trójniku podobnie nitka zasilania wężownicy w zbiorniku i również tutaj jest mniejsza pompka żeby to przegonić. Czy takie rozwiązanie jest dopuszczalne? czy nie będzie tutaj walki pomp? na głównej nici zasilania Cu35 są 2 odnogi po 22 mm każda jedna goni na zbiornik druga na grzejniki. Dopiero przy 4 drogowym zaworze mamy zamianę średnicy na 4 drogowym zaworze gdzie zasilanie do góry jest na rurze 22. Czy te pompki w ogóle będą w stanie zassać to wodę i przepchać po podłogówce? tutaj pytanie właśnie konkretnie o tą grupę pompowa czy ona sobie poradzi a że są identyczne to czy nie będą się biły między sobą? Zapomniałem o zaworach zwrotnych są przeważnie umieszczane na powrotach tak aby nie próbowało cofnąć wody ponieważ te powroty wracają do innej rury czy takie zastosowanie ich jest odpowiednie? Ostatni już obiecuję schemat przedstawia wersje z rozdzielaczo-sprzęglem: Schemat jest bardzo podobny do 3 opcji gdzie mieliśmy zawór 4 drogowy. Tutaj również nitki zasilające uciekają na trójnikach ale grzejnikowa nitka jest już poza rozdzielaczem i w dodatku na dużo mniejszej średnicy. Pompa jest na zasilaniu blisko kotła. Zestaw mieszający jest po to aby również niższa temperaturę wysyłać już na instalację tak aby te pompki były w kotłowni a nie gdzieś w szafkach z rozdzielaczami. Czy warto zastosować takie rozwiązanie? mamy tutaj mieszacz z dwoma 3 drogowymi zaworami do mieszania wody na podłogę. Poza sprzęgłomieszaczem znajduje się nitka do grzejników i ona jest wspomagana przez pompę która wychodzi zaraz za kotłem. Do cwu natomiast jest odnoga na trójniku która również pchana jest tą pompką przez weżownicę a następnie wszystkie rurki spotykają się na powrocie i tutaj również pytanie czy pompa może być w tym miejscu? jest to powrót z sprzęglo-rozdzielacza-mieszacza wspomaganego pompą i zawory zwrotne na powrotach aby cisnęło tam gdzie powinno a nie tam gdzie by mu się podobało. które Państwa zdaniem rozwiązanie jest najlepsze, może zapewnić optymalne warunki pracy przy odpowiednio ekonomicznej cenie całości instalacji? Czy przekroje rurek są w porządku? Czy zastosowany sprzęt dokładnie rozpisany modelowo jest w stanie poradzić sobie z ogrzaniem tego wszystkiego? Które państwa zdaniem rozwiązanie zapewni optymalne rozłożenie kosztów podczas sezonów grzewczych? Liczę na liczne uwagi, opinie, być może porady, ale także na słowa krytyki - ta również musi być. Pozdrawiam
 
