Skocz do zawartości

Rafał123

Nowy Forumowicz
  • Postów

    8
  • Dołączył

  • Ostatnia wizyta

Osiągnięcia Rafał123

Żółtodziób

Żółtodziób (2/14)

  • Pierwszy post
  • Tydzień pierwszy zaliczony
  • Miesiąc później
  • Starter dyskusji

Najnowsze odznaki

0

Reputacja

  1. dodam że nigdy nie będę chciał korzystać z obu kotłów w jednym czasie i pytanie jak zachowywałby się tutaj wymiennik płytowy?
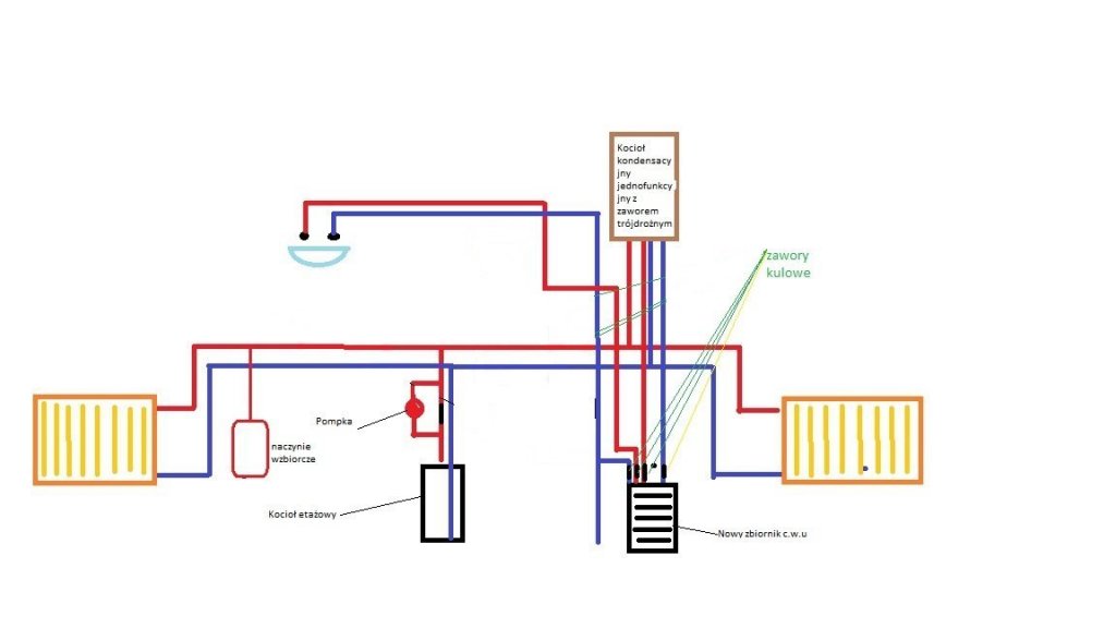
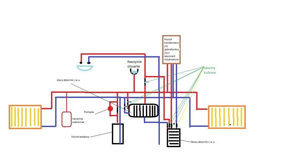
  2. Witam, mieszkanie i c.w.u ogrzewam drewnem sezonowanym w okresie grzewczym i bardzo chciałbym dołożyć kocioł gazowy kondensacyjny. Kotłownia usytułowana w piwnicy, mieszkanie na pierwszym piętrze, w mieszkaniu posiadam junkers na ciepłą wodę używany poza sezonem grzewczym. Chciałbym zdemontować junkers i zamontować w jego miejsce kocioł kondensacyjny jednofunkcyjny z zaworem trójdrożnym plus zasobnik c.w.u. Instalacja którą używam do tej pory w całości wykonana z rur miedzianych i pracuje to w układzie otwartym. Chcąc dołączyć kocioł kondensacyjny planuję usunąć naczynie wyrównawcze i zastąpić je naczyniem wzbiorczym. Poniżej załączam rozrysowane połączenia jak mniej więcej to wygląda i jak miało by wyglądać. Proszę kolegów o weryfikację
  3. Dzięki za odpowiedzi, kocioł wybiłem sobie już z głowy. Zakupię albo mniejszej mocy 5 klasy albo przejdę na ogrzewanie gazowe. Żeby człowiek jeszcze wiedział jak będą kształtowały się ceny tych paliw za około np. 5 lat .
  4. Dziękuję za odpowiedź, z danych które podałem oraz wyliczeń wynika że potrzebuję kocioł na ekogroszek 12-14kW. Zauważyłem że wyliczenia nie wyszły mi chyba wiarygodne gdyż wychodzi że ogrzanie np drewnem bukowym to koszt 2700 a np gaz ziemny + kondensat 3660, ekogroszek 3256. Gdzie dla porównania sąsiadka w tej samej kamienicy mieszkanie identyczne ogrzewanie gazowe koszt około 2000 w mieszkaniu wszystkie pokoje ciepłe, temperatura podobna do mojej ulubionej ? .
  5. Znajomy bardzo dobry, montuje fotowoltaike i pompę ciepła, piec 4 latek jeszcze na gwarancji, wersja z wyciąganym rusztem
  6. Jestem z dolnośląskiego, niby kocioł ma zakres regulacji w przedziale 4,5 do 15 kW ale nie wiem dokładnie jak to się odbywa. Kocioł byłby od znajomego i w naprawdę przyzwoitej cenie.
  7. Witam, posiadam mieszkanie podpiwniczone usytułowane na parterze 70m2 nie ocieplone budynek z pustaka szlakowego ściany grubości około 50cm stropy betonowe izolowane, okna plastikowe podwójne wysokość 2,6m obecnie opalane drewnem sezonowanym. Palę tylko w dzień od rana do wieczora kończąc palenie około godziny 21 w mieszkaniu 23,5' rano około 21' przy temperaturach 0 i mniej okres jesień, wiosna rozpalone rano na 3 godziny i wieczorem 3 godziny. Mogę okazyjnie zakupić kocioł na ekogroszek defro eko pz 15kW 4 klasy i tutaj pytanie czy kocioł nie będzie zbyt mocny? i czy będzie to ekonomiczne rozwiązanie? ile pi razy oko mogę wydać na ogrzewanie? dodam że poza sezonem CWU posiadam z junkersa gazowego.
×
×
  • Dodaj nową pozycję...

Powiadomienie o plikach cookie

Używając tej strony zgadzasz się na Polityka prywatności.