ArekC
Forumowicz-
Postów
16 -
Dołączył
-
Ostatnia wizyta
Typ zawartości
Forum
Wydarzenia
Blogi
Artykuły
Treść opublikowana przez ArekC
-
Odpowietrzniki za pompami, zawór 4d bez siłownika. Naczynie myślę że jednak jest wyżej od bojlera o jakieś 2 metry.
-
Wężownica podwójna, na zasilaniu odpowietrznik automatyczny. Bojler zapowietrza się w sumie od początku, mimo odpowietrzenia sytuacja wraca
-
Instalacja pracowała od października i było ok, w ostatnim tygodniu zauważyłem że nie ma ciepłej wody i okazało się że brakuje wody w obiegu.
-
Witam. Mam problem z uciekająca woda z obiegu C.O.Posiadam dwie pompy, jedna na kaloryfery druga na bojler. Gdy puszczam wodę w wężownice bojlera zaczyna lecieć woda z naczynia przelewem .Jesli działa tylko obieg na kaloryfery z zamkniętym układem na bojler wszystko jest ok. Sprawdziłem wężownice pod kątem ewentualnego pęknięcia lecz przez pół godz po napompowaniu powietrza na manometrze nic nie ubyło. Zawór dopuszczający raczej sprawny ponieważ leci tylko przy otwartych zaworach na bojler.Naczynie na strychu. Ma ktoś jakiś pomysł?
-
Opinie Na Temat Tekla Draco Bio / Tekla Draco Bio Compact 12 Kw
ArekC odpowiedział(a) na Sterydziak temat w Kotły pelletowe
Witam. Posiadam kocioł Tekla Draco Bio Compact 12kw.Temperatura zadana 62 st. Piec mimo że nie osiąga zadanej temperatury to pracuje na 50% mocy i ciężko ma dobić 62+5 stopni zadanej temp. Moje ust. Pow min-30% Pow max-55% Podawanie max- 3.2 Moc min-50% Moc max-100% Ilość paliwa test-12 Wartosc opałowa-4.6 Prog foto-30 Zauwazylem ze gdy paliłem Goldem było ok, po zmianie na Olczyka tak się dzieje. Mozliwe że to wina pelletu? -
Opinie Na Temat Tekla Draco Bio / Tekla Draco Bio Compact 12 Kw
ArekC odpowiedział(a) na Sterydziak temat w Kotły pelletowe
-
Opinie Na Temat Tekla Draco Bio / Tekla Draco Bio Compact 12 Kw
ArekC odpowiedział(a) na Sterydziak temat w Kotły pelletowe
Witam. Od tygodnia jestem użytkownikiem pieca Tekla Draco Bio Compact 12kw.Jest to mój pierwszy piec na pellet. Czy tak spalony pellet jest ok? Pozdrawiam i liczę na wyrozumiałość -
Zasilanie awaryjne Słabe grzanie bojlera mimo gorącego powrotu
ArekC odpowiedział(a) na ArekC temat w Instalacje CO i CWU
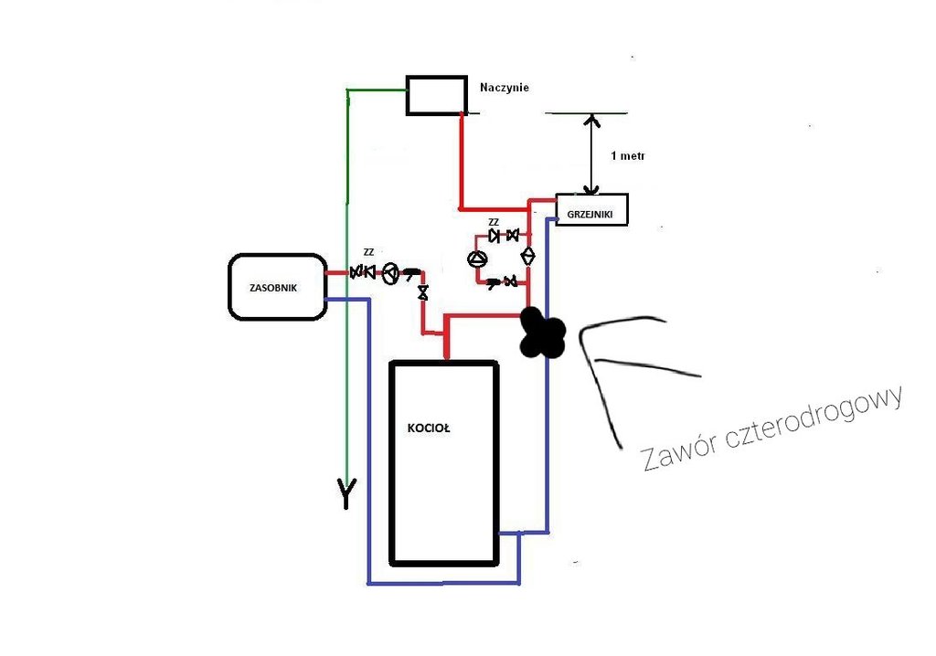
Mimo że wczoraj odpowietrzylem układ i wtedy temperatura dość szybko wzrastała to dziś znów było słychać że bojler jest zapowietrzony, szczególnie gdy załącza się pompa cwu wtedy słychać przelewanie w bojlerze Naczynie znajduje się na strychu, ponad metr nad bojlerem -
Zasilanie awaryjne Słabe grzanie bojlera mimo gorącego powrotu
ArekC odpowiedział(a) na ArekC temat w Instalacje CO i CWU
Też słabo, nawet jak włączę tylko pompę na cwu to ciężko ma dogrzać, mimo że powrót z bojlera gorący Mimo że wczoraj odpowietrzylem układ i wtedy temperatura dość szybko wzrastała to dziś znów było słychać że bojler jest zapowietrzony, szczególnie gdy załącza się pompa cwu wtedy słychać przelewanie w bojlerze -
Zasilanie awaryjne Słabe grzanie bojlera mimo gorącego powrotu
ArekC odpowiedział(a) na ArekC temat w Instalacje CO i CWU
Zauważyłem że gdy załącza się pompa cwu to zabiera dużo wody pompie c.o ponieważ wtedy spada temperatura zasilania c.o. Układ jest dość blisko i jest mały. Mozliwe że pompa zapowietrza układ? -
Zasilanie awaryjne Słabe grzanie bojlera mimo gorącego powrotu
ArekC odpowiedział(a) na ArekC temat w Instalacje CO i CWU
Po lewej jest powrót z c.o który wchodzi do 4d i wraca do kotła po drodze łapiąc powrót z bojlera Zgadza się -
Zasilanie awaryjne Słabe grzanie bojlera mimo gorącego powrotu
ArekC odpowiedział(a) na ArekC temat w Instalacje CO i CWU
Powrót z zaworu 4d Tak, powrót z 4d później trójnik i do kotła -
Zasilanie awaryjne Słabe grzanie bojlera mimo gorącego powrotu
ArekC odpowiedział(a) na ArekC temat w Instalacje CO i CWU
Dokładnie tak -
Zasilanie awaryjne Słabe grzanie bojlera mimo gorącego powrotu
ArekC odpowiedział(a) na ArekC temat w Instalacje CO i CWU
Powrót z bojlera jest wpięty za zaworem 4d przed wejściem do kotła -
Zasilanie awaryjne Słabe grzanie bojlera mimo gorącego powrotu
ArekC odpowiedział(a) na ArekC temat w Instalacje CO i CWU
Bojler poziomy z pojedyncza wężownicą. Czujnik w połowie w bojlerze. Wcześniej cały układ był na jednej pompie i było ok. Bojler ma około 10 lat. -
Zasilanie awaryjne Słabe grzanie bojlera mimo gorącego powrotu
ArekC opublikował(a) temat w Instalacje CO i CWU
Witam. Zamontowałem piec Tekla draco bio compact 12kw.Uklad na dwóch pompach, osobna na c. O i osobna na cwu.Bojler o pojemności 60 l bardzo wolno się nagrzewa. Mam wrażenie że jest zapowierzony mimo że powrót z bojlera jest gorący. Po odpowietrzeniu jakiś czas jest w miarę lecz za jakiś czas gdy temp wody spadnie ciężko ma dogrzać.
