Skocz do zawartości

Robertb

Nowy Forumowicz
  • Postów

    4
  • Dołączył

  • Ostatnia wizyta

Treść opublikowana przez Robertb

  1. Dziękuję bardzo za podpowiedź!
  2. Panie sambor a czy jeżeli w połowie wysokości bufora mam naczynie przeponowe Reflexa 100 l to czy to zastąpi mi potrzebę wpinania bufora do przelewu? Przeponę miałem do tej pory bo układ miałem zamknięty i myślałem pomimo przeróbki ją zostawić bo w niczym mi nie przeszkadza...Pozdrawiam
  3. Szanuję powyższe odpowiedzi, lecz celowo podjąłem ten temat bo potrzebuję trochę innowacyjne rozwiązanie, Do tej pory piwnice nie były grzane bo nie mam potrzeby jako takiej. Ale jeżeli już tam ten grzejnik wisi to potraktuję go jako krótki obieg przy rozpalaniu kotła i przez to dogrzania powrotu podczas dwugodzinnego dziennie palenia. Bojlerek też byłby krótkim obiegiem bo również nie mam potrzeby stale go grzać wężownicą (przypomnę że cały czas jest w nim grzałka). Czyli reasumując: "palę w kotle żeby zagrzać bufor, pompa na pełnych obrotach zasila bufor, grzejnik i bojler....powrót napewno nie będzie wracał zimny bo szybciutko zamyka się przez fafir i wężownicę bojlera..." W razie zaniku napięcia wszystko przejdzie na grawitację. Czy naprawdę źle kombinuję??
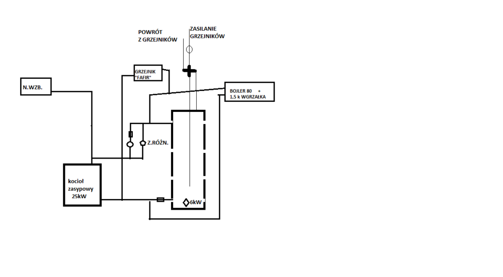
  4. Witam Szanowne grono i z góry dziękuję za ewentualne zainteresowanie. Prosiłbym o ewentualne zerknięcie na poprawność schematu, pod który chciałbym nanieść poprawki w obecnej kotłowni. Niestety ostatnio przekonałem się, że to co mam wykonane do tej pory nie jest zbyt dobre ponieważ mam zrobione to w układzie zamkniętym z naczyniem przeponowym 120 litrów i parę dni temu doświadczyłem wyłączenia energii elektrycznej przy załadowanym kotle. Co prawdy układ sobie poradził, zawór bezpieczeństwa zadziałał, trochę wody wypłynęło. Stało się to pierwszy raz od dwóch lat ale jednak się stało i nie chcę kusić losu ku drugiemu razu. Nie powiem, układ działa bardzo fajnie, bufor szybko się ładuje, powrót mam dogrzewany zaworem termostatycznym 55st.... TYLKO I WYŁĄCZNIE dla spełnienia bezpieczeństwa muszę to przerobić. Przejdę do rzeczy. Pewnie niektórych troszeczkę podirrytuję że znowu zaśmiecam forum tematami które były nieraz wałkowane, ale proszę mi uwierzyć że mój jest troszeczkę specyficzny i chcę dostosować go tylko pod siebie. Specyficzny o tyle że palę w piecu tylko i wyłącznie w sezonie zimowym (pozostała część roku CWU grzana przez grzałkę a w okresach przejściowych dom dogrzewany niewielką, powietrzną pompą ciepła-jestem posiadaczem fotowoltaiki). Mój pomysł jest taki że chcę grzać bufor wedle poniższego schematu, czyli między kocioł a bufor pompa. W razie braku zasilania co w zimie jest u nas w górach bardzo prawdopodobne byłby bypass z zaworem różnicowym. Powrót byłby dogrzewany przez jeden grzejnik typu "Fafir" który jest w jednej z piwnic i dodatkowo przez wężownicę bojlera. Przy okazji zostałoby trochę energii elektrycznej w zapasie bo grzałka przez te kilka godzin dziennie nie musiałaby grzać. Normalnie piwnice nie są ogrzewane ale w sumie co mi zależy żeby codziennie grzejnik ten nagrzał conieco pomieszczenia piwniczne...? Czy taki układ ma sens? Normalnie piwnice . Dodam że bufor nagrzewałby się się również przy pomocy układu z zaworem 4D bo do tej pory mam tak że automatyka która steruje mi zaworem 4D w momencie gdy zbiornik jest zagrzany to na dom idzie maksymalnie 37 stopni a reszta "gorącej wody" wraca do dołu zbiornika.... Pozdrawiam
×
×
  • Dodaj nową pozycję...

Powiadomienie o plikach cookie

Używając tej strony zgadzasz się na Polityka prywatności.