-
Postów
66 -
Dołączył
-
Ostatnia wizyta
Typ zawartości
Forum
Wydarzenia
Blogi
Artykuły
Treść opublikowana przez krzysm83
-
Jak mam komin fi 200 o długości ok 7.5m podłączony do niego DS 12-14kw i nie ma problemu z ciągiem. Podstawa to odpowiednio rozpalic w kotle. Ja robię to w ten sposób; klapka krótkiego obiegu podniesiona kilka pomiętych papierów wrzucam jak najbliżej palnika i na to kilka drobnych patyczkow i ogień. Klape od wsypu zamykam otwieram tylko drzwiczki popielnika i słucham jak furkocze. Po chwili otwieram i ładuję piwerwsza porcje wegla i czekam aż sie rozbuja po czym dosypuje kolejna porcje zamykma krótki obieg drzwi popielnika i tyle w temacie. Nie mam założonej przegrody w palniku jedyną modyfikacją którą zrobiłem to zmniejszyłem powierzchnie paleniska. Wczoraj po załadowaniu węgla ok 5 łopatek (nie wiem ile mogł ważyć ale mieścił sie w wiaderku po farbie) i rozpaleniu o godz 17 do godz 24 utrzymywał temperature 60 stopni.
- 17374 odpowiedzi
-
- MPM DS
- instalacja buforowa
- (i 3 więcej)
-
Ja też na początku uchylam klapkę. przy dobrym ciągu po minucie dwóch można ja zamknąć i nie ma problemu z rozpalemiem i dojściem do temperatury pracy
- 17374 odpowiedzi
-
- MPM DS
- instalacja buforowa
- (i 3 więcej)
-
Dokładnie klapka krótkiego oobiegu lubi sie zawiesić. Podstawa to bezwglednie kontrolować jej położenie oraz systematycznie czyścić scianki do których przylega
- 17374 odpowiedzi
-
- MPM DS
- instalacja buforowa
- (i 3 więcej)
-
Witam. Pale w MPMie 12-14kW od miesiąca głównie jest to węgiel ,na zasypany wegiel dodatkowo daję warstwe trocin wszystko ładnie się spala i utrzymuje zadaną temperature 60 stopni. Zastanawiam się tylko czy nie zmniejszyć powierzchni rusztu i tu pytanie jak taka modyfikacja wpływa na stałopalność?.
- 17374 odpowiedzi
-
- MPM DS
- instalacja buforowa
- (i 3 więcej)
-
Nie zasypywał węglem. A poza tym ja swojego załadowałem węglem i po otwarciu zasypu nie kopcił wystarczy pamiętać o krótkim obiegu no i oczywiście odpowiedni komin
- 17374 odpowiedzi
-
- MPM DS
- instalacja buforowa
- (i 3 więcej)
-
Koledzy proszę doradzcie jak prawidłowo wyregulować płomień, po kolei jakie sa etapy regulacji ogólnie, bo zapewne wartosci uchylenia poszczególnych przesłon beda sie róznić w zalezności od rodzaju kotła. Dzisiaj czeka mnie kolejny dzień zabawy z kotłem i chciałbym poznać przynajmniej tok postepowania. Pozdrawiam
- 17374 odpowiedzi
-
- MPM DS
- instalacja buforowa
- (i 3 więcej)
-
Właśnie wróciłem z pierwszego odpalenia kotła.Wrażenia jak narazie pozytywne szybko złapał temperaturę podłogówki grzeją grzejniki również. Kociołek nie dymi zbytnio podczas załadunku pomimo że mam ładowany od góry. Teraz z niecierpliwością czekam na kolejne testy czyli regulacja płomienia itd. myślę że uda mi się pod koniec tygodnia wrzucic kilka fotek. Pozdrawiam
- 17374 odpowiedzi
-
- MPM DS
- instalacja buforowa
- (i 3 więcej)
-
dzięki przynajmniej teraz wiem o co dokładnie chodzi
- 17374 odpowiedzi
-
- MPM DS
- instalacja buforowa
- (i 3 więcej)
-
Czyli tak dokładnie co może sie stać?
- 17374 odpowiedzi
-
- MPM DS
- instalacja buforowa
- (i 3 więcej)
-
Nie tam nie ma żadnego zaworu. A co sądzisz o pozastałej części instalacji? Dzięki za zainteresowanie tematem
- 17374 odpowiedzi
-
- MPM DS
- instalacja buforowa
- (i 3 więcej)
-
sambor myślisz że to nie zadziała? mam to przerobić? W sumie to hydraulik stwierdził ze nie ma różnicy.a Pozatym co sądzisz o instalacji moze zostać??
- 17374 odpowiedzi
-
- MPM DS
- instalacja buforowa
- (i 3 więcej)
-
- 17374 odpowiedzi
-
- MPM DS
- instalacja buforowa
- (i 3 więcej)
-
- 17374 odpowiedzi
-
- MPM DS
- instalacja buforowa
- (i 3 więcej)
-
rumunn9r nie rozumiem dlaczego piszesz że bombka?? Mozesz wytłumaczyć??
- 17374 odpowiedzi
-
- MPM DS
- instalacja buforowa
- (i 3 więcej)
-
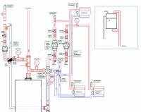
Witam Wrzucam fotki z zainstalowanym kotłem i z układem instalacji. Pozostało jeszcze przeprowadzenie próby i sprawdzenie układu. W przyszłym tygodniu podziele się uwagami co do pracy systemu.;)
- 17374 odpowiedzi
-
- MPM DS
- instalacja buforowa
- (i 3 więcej)
-
Zamówilem ten kociol i zastanawialem sie czy może nie zasugerowac podawania PW po obydwu stronach. Ale skoro wg twoich doświadczeń podawanie od strony wyczystki jest lepsze to zostanę przy takim.
- 17374 odpowiedzi
-
- MPM DS
- instalacja buforowa
- (i 3 więcej)
-
resq czy wg Ciebie podawanie powietrza wtórnego z obu stron w przypadku tego kotła jest lepsze niz w przypadku pierwotnego rozwiazania
- 17374 odpowiedzi
-
- MPM DS
- instalacja buforowa
- (i 3 więcej)
-
Jeszcze nie mam ocieplonego ale planuję 12 lub 15cm styropianu.
- 17374 odpowiedzi
-
- MPM DS
- instalacja buforowa
- (i 3 więcej)
-
Ja mam 150m2 podlog cwu 300l podłogówli ok 50m2 oraz kubatura ok 450m3 i po konsultacji z producentem zaproponował 12-14kw. Kocioł juz zakupiony czekam na przesyłkę ;)
- 17374 odpowiedzi
-
- MPM DS
- instalacja buforowa
- (i 3 więcej)
-
Dodatkowo wymienna przegroda w palniku. jakie opinie po wprowadzonych zmianach.
- 17374 odpowiedzi
-
- MPM DS
- instalacja buforowa
- (i 3 więcej)
