Skocz do zawartości

Milskim

Forumowicz
  • Postów

    16
  • Dołączył

  • Ostatnia wizyta

O sobie

  • Płeć
    Mężczyzna
  • Lokalizacja
    Podlaskie

Osiągnięcia Milskim

Ciekawy

Ciekawy (3/14)

  • Pierwszy post
  • Współtwórca
  • Tydzień pierwszy zaliczony
  • Miesiąc później
  • Od roku na pokładzie

Najnowsze odznaki

0

Reputacja

  1. ja do swojej kotłowni wybrałem ten http://www.fuego.pl/6637_Bojler_dwuplaszczowy_ERMET_w_piance_140_zywicowany.html
  2. będe miał to na uwadze.. :ph34r:
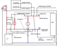
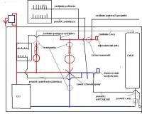
  3. Już teraz rozumiem,dzięki,wogle zapomniałem o pojeciu (syfon).Jutro pogadam z fachowcem. I pomyśleć jak miała działać ta moja kotłownia.Pisał bym do Was innym razem jak odpowietrzyc instalacje. Dzieki za rady,koncze posta. Poyrawniam
  4. ten rozdzielacz na dole umieszczę w górze,tak aby był wyżej rury zasilającej-tego syfonu się pozbędę.Wstawię odpowietrznik na zasilaniu C.W.U.,przy bojlerze. Został trzeci,jak mam to zrobić?
  5. Masz rację że na tych 3 grzejnikach jest syfon - a jak dam w najniższym miejscu na powrocie odpowietrznik to będzie ok.? Przerobiłem rysunek,jak to teraz wygląda.
  6. odpowietrzniki będą automaty-na rozdzielaczach.Tamte 3grzejniki-odpowietrzniki na grzejnikach.A właśnie gdzie zamontować zawór bezpieczęństwa w jakim miejcsu.
  7. Naniosłem poprawki,ale za zaworem 4drogowym chyba musi być termometr,bo nie będę wiedział jaka jest temperatura na powrocie za mieszaczem.Tak jak termo.za pompą C.O,tez muszę wiedzieć ile stopni wychodzi na grzejniki.Dużo chcę wiedzieć co! :lol:
  8. można zamontować tam miarkownik,i ja właśnie zamierzam go zamontować do tego sterownik ST 28 http://tech-controll...,st-28.dmuchawę morze kiedyś tam.Mój opał to węgiel,więcej drewnem a dmuchawa mi to drewno tylko rozdmucha. A co do schematu to mówisz że tak jak on wygląda po poprawach to mogę go skręcać bez problemu,czy jeszcze coś mi podpowiesz do uzupełnienia.
  9. znowu pisze o tych 3 grzejnikach.Dlatego zasilanie tych właśnie grzejników zostało poprowadzone na poddasze w posadzce,gdzie z poddasza rurki schodzą na parter,a znowu powrót jest położony w posadzce na parterze.Czyli ciepła woda idzie do góry gdzie później wraca powrotem(parteru) do kotła.Co ty na to?.. to pomysł fachowca i ja juz tego nie zmienie bo parter mam już zalany posadzką a poddasze jeszcze jest bez posadzki (na wiosne zaleje,w tym roku).
  10. a to ciekawe,powinno sie sprawdzić.Dzisiejsze zaniki nie trwają dłużej niż kilka godzin.A osobna pompa to odpada,za dużo tego bedzie.Po prostu podłącze te 3grzejniki do układu i powinno być ok.Wstawiłem jeszcze zawór zwrotny za zbiornikiem c.w.u,i dostawiłem termometry + termo-manometr i jak to teraz wygląda?prosze o ocenę.
  11. a piec 17 KW SAS UWT na 150 m2 nie będzie zadużym piecem na ten metraż?przypomne że do tego jeszcze bedzie bojler 140l
  12. w tym zestawie grawitacja jest przewidziana tylko na 3 grzejniki na parterze podłączone bez rozdzielaczy dawna metodą,dlatego nie chcę podłączać powrotu z tych właśnie grzejników na zawór 4-drogowy bo mi zdławi przepływ. A powiedz mi sambor jak nastąpi zanik prądu to przez pompkę C.O.piec mi popchnie,ja bym tu wstawił zawór różnicowy.
  13. a co do uzupełnienia schematu to nie mam pojęcia zabardzo gdzie co powinno być.,,, może ktoś pomoże mi w tym.
  14. witam. poprawiłem schemat,powinien być bardziej czytelny. A jak teraz to wygląda ?A co do tych zaworów to one przydadzą sie przy zaniku prądu. bez tytułu.bmp
  15. hej,nikt tu nawet nie zerknie.A może jednak??
×
×
  • Dodaj nową pozycję...

Powiadomienie o plikach cookie

Używając tej strony zgadzasz się na Polityka prywatności.