rafad78
Forumowicz-
Postów
18 -
Dołączył
-
Ostatnia wizyta
Typ zawartości
Forum
Wydarzenia
Blogi
Artykuły
Treść opublikowana przez rafad78
-
Prośba O Pomoc Przy Doborze Podłączenia Grzejników
rafad78 odpowiedział(a) na rafad78 temat w Instalacje CO i CWU
Sambor dzięki za odpowiedź, czy Kissan Twoim zdaniem to dobry wybór? Mam jeszcze problem z podłączeniem grzejników a mianowicie, czy wyginać rurę tak aby w tynkach nie było żadnego połączenia, czy zastosować kolanko w tynku, jaki wówczas system polecacie skręcany czy zaciskowy? Rafał -
Prośba O Pomoc Przy Doborze Podłączenia Grzejników
rafad78 opublikował(a) temat w Instalacje CO i CWU
Witam, bardzo proszę o pomoc przy doborze rur do podłączenia grzejników. Mój piec to Taurus na eko z podajnikiem, instalacja otwarta, system rozdzielaczowy i tutaj mam w zamyśle 2 rozwiązania: 1. Tańsze to zastosować od rozdzielacza do grzejników rury Pex-Al-Pex, tutaj zastosował bym Kissana 2. Rury miedziane miękkie - mam jednak problem z doborem właściwych złączek skrecanych. Bardzo bym prosił o poradę doświadczonych forumowiczów, przy takim piecu jaki ostatecznie rodzaj rurek wybrać. Bardzo proszę o wskazanie producenta, który wykonuje dobrej jakości złączki skręcane do rur miedzianych miękkich (wiem już, że na pewno muszą to być te z tuleją wzmacniającą, która zabezpieczy rurę przed zagięciem). pozdrawiam Rafał -
Prośba O Sprawdzenie Schematu I Poradę
rafad78 odpowiedział(a) na rafad78 temat w Instalacje CO i CWU
Zapomniałem jeszcze dopisać o liczbie grzejników. Parter 7 i poddasze 5. Proszę jeszcze o doradzenie jakie najlepiej średnice rur miedzianych od rozdizelacza do grzejników. Czy przy kotle na eko-groszek można od rozdzielaczy poprowadzić pex-alu-pex np Kissan, czy lepiej zainwestować w miedź miękką. Piecyk to będzie z podajnikiem tłokowym Taurus guar duo 18,5kw. Rafał -
Prośba O Sprawdzenie Schematu I Poradę
rafad78 odpowiedział(a) na rafad78 temat w Instalacje CO i CWU
Ponawiam swoją prośbe o doradzenie j.w. Rafał -
Prośba O Sprawdzenie Schematu I Poradę
rafad78 odpowiedział(a) na rafad78 temat w Instalacje CO i CWU
Bardzo raz jeszcze proszę o pomoc jak w poscie wyżej Rafał -
Prośba O Sprawdzenie Schematu I Poradę
rafad78 odpowiedział(a) na rafad78 temat w Instalacje CO i CWU
Zapomniałem jeszcze dopisać o liczbie grzejników. Parter 7 i poddasze 5. Proszę jeszcze o doradzenie jakie najlepiej średnice rur miedzianych od rozdizelacza do grzejników. Czy przy kotle na eko-groszek można od rozdzielaczy poprowadzić pex-alu-pex np Kissan, czy lepiej zainwestować w miedź miękką. Piecyk to będzie z podajnikiem tłokowym Taurus guar duo 18,5kw. Rafał -
Prośba O Sprawdzenie Schematu I Poradę
rafad78 odpowiedział(a) na rafad78 temat w Instalacje CO i CWU
Dzięki wielkie za pomoc! pzdrawiam Rafał -
Prośba O Sprawdzenie Schematu I Poradę
rafad78 odpowiedział(a) na rafad78 temat w Instalacje CO i CWU
Digitrax, a czy ten schemacik, który zamieściłem wyżej jest poprawny. Czy poprowadzenie jednej rury będzie poprawne. Co do tej rurki odpowietrzającej przy NW, czy ma być pozostawiona otwarta, czy zastosować tam jakiś odpowietrznik. Rafał -
Prośba O Sprawdzenie Schematu I Poradę
rafad78 odpowiedział(a) na rafad78 temat w Instalacje CO i CWU
Jak zresztą widać po liczbie moich postów na tym forum to jestem bardzo malutki, ale chętnie się uczę :rolleyes: Rafał -
Prośba O Sprawdzenie Schematu I Poradę
rafad78 odpowiedział(a) na rafad78 temat w Instalacje CO i CWU
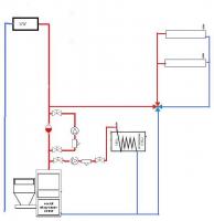
W załączeniu schemat po poprawce. Co do ONW na w jednej z instrukcji od kotła zauwazyłem takie rozwiazanie jak zamieściłem na schemacie, czy to jest konieczne - podłączenie od dołu i od góry tzw. rura bezpieczeństwa. Proszę jeszcze o informację czy zastosować od rury przelewowej NW rurkę skierowaną do góry tzw. odpowietrzenie. pozdrawiam Rafał -
Prośba O Sprawdzenie Schematu I Poradę
rafad78 odpowiedział(a) na rafad78 temat w Instalacje CO i CWU
Digitrax przepraszam nie chciałem Cię urazić. Postaram się poprawić schemat - chodzi o te filtry. Proszę jescze o informację co źle z ty NW. Mam jeszcze pytanie czy w przypadku wyeliminowania zaworów różnicowych, podczas braku zasilania poprzez pompy będzie przechodziła woda z kotła CO. pozdrawiam Rafał -
Prośba O Sprawdzenie Schematu I Poradę
rafad78 odpowiedział(a) na rafad78 temat w Instalacje CO i CWU
Witam, usunięte zawory zwrotne. Mam jeszcze pytanie czy powrót z CWU może wpływać do pionu powrotu z rozdzielaczy, czy połączyć jak na zamieszczonym rysunku. pozdrawiam Rafał -
Prośba O Sprawdzenie Schematu I Poradę
rafad78 odpowiedział(a) na rafad78 temat w Instalacje CO i CWU
Witam ponownie mając na uwadze Wasze cenne porady "wypociłem" kolejny schemat. Zastanawia mnie jednak =, czy nie usystuować zaworu 4D niżej względem kotła. Czy odpływ z dolnego rozdzielacza może iść do góry? Czy nie lepiej zastosować tam zaworu 3D, a odpłuw z rozdzielaczy poprowadzić poza zaworem. pozdrawiam Rafał -
Prośba O Sprawdzenie Schematu I Poradę
rafad78 odpowiedział(a) na rafad78 temat w Instalacje CO i CWU
vernakl, dzięki postaram się poprawić :-) pozdrawiam Rafał -
Prośba O Sprawdzenie Schematu I Poradę
rafad78 odpowiedział(a) na rafad78 temat w Instalacje CO i CWU
Dzięki wszystkim za porade. Co do kolegi Digitrax - poraża mnie Twój brak inteligencji. Nie sztuka obrażać innych. Jezeli nie chcesz odpowiadać na mój post najlepiej nic nie pisz. Myślę, że znajdzie sie, sporo innych, bardziej kompetentnych (wide inne posty) osób, które zechcą wykazać się troszeczką empatii i takiemu jak ja doradzą jak wykonać instalację, aby działała poprawnie. Faktycznie wmoim nowym domku kotłowmia będzie na wysokości parteru - bez żadnego zaniżenia to i tak ukałd grawitacji nie zadziała. Mój schemat był taki bo myślałem, że w przypadku braku zasilania obieg nie będzie zamknięty poprzez pompy, tylko cyrkulacja będzie wymuszona siłą wzrastającej temp. na kotle. Proszę jeszcze o wskazówki dot. zaworu 4D czy jest on konieczny. za wszystkie cenne uwagi z góry dziekuję pozdrawiam Rafał -
Prośba O Sprawdzenie Schematu I Poradę
rafad78 odpowiedział(a) na rafad78 temat w Instalacje CO i CWU
Dzięki za poradę, zamieszczam poprawiony schemat i proszę jeszcze o wskazówki. Mam jeszcze pytanie czy załamanie rury do NW, chodzi o poprowadzenie wzdłuż ściany ma być kolankiem 90 czy stosować jakieś łuki. Bardzo proszę jeszcze o informację czy od rozdzielaczy przy kotle na eko-groszek stosować miedź miękką czy może być np Kissan. Bardzo proszę jeszcze o opinię czy stosować ten zawór 4D, czy jest konieczny. Bardzo proszę jeszcze o zwrócenie uwagi na odpowietrzniki czy w tych miejscach można je zastosować ew. proszę o wskazówki. pozdr. Rafał -
Prośba O Sprawdzenie Schematu I Poradę
rafad78 odpowiedział(a) na rafad78 temat w Instalacje CO i CWU
Witam, zamieściłem poprawiony schemat proszę o doradzenie ew. zmian, i jakie najlepiej śr. rurek na poszczególnych odcinkach. Rafał -
Witam! Bardzo proszę o pomoc przy ustaleniu szczegółów schematu i ew. poradę. Instalację w moim domku (100m2-parter + użytkowe poddasze) chciałbym wykonać w miedzi tj. kotłownia twarda miedź a od rozdzielaczy do grzejników miedź miękka. Proszę o doradzenie jakie średnice rur w kotłowni i do rozdzielaczy a jakie do grzejników. Kocioł będzie na eko-groszek, CWU i grzejniki. Bardzo proszę o ew. korekty zam. "schematu". W jakich miejscach zamontować odpowietrzniki, zawory odcinające i filtry. z powazaniem Rafał
