marekbab
Forumowicz-
Postów
14 -
Dołączył
-
Ostatnia wizyta
Osiągnięcia marekbab
-
Prośba O Pomoc W Sprawdzeniu Układu
marekbab odpowiedział(a) na marekbab temat w Instalacje CO i CWU
poprzedni hydraulik tak zrobił:) -
Prośba O Pomoc W Sprawdzeniu Układu
marekbab odpowiedział(a) na marekbab temat w Instalacje CO i CWU
to jest uproszczony schemat. do ogrzania mam prawie 200m2 i grzejników mam więcej -
Prośba O Pomoc W Sprawdzeniu Układu
marekbab odpowiedział(a) na marekbab temat w Instalacje CO i CWU
jeszcze dokładnie nie wiem jak będzie sie zachowywał nowy piec. obecnie paleiłem : godz. 15 powrót z pracy- rozpalanie / następnie ze 2 razy na godz. podłożyć do pieca ( piec nie szczelny szybko wszystko się spala i idzie ciepło w komin) dalej ok 23 ostatnie założenie pieca.. do rana nic już nie było. dlatego zdecydowałem się na zmianę pieca wiec dlatego "przepalanie" uważam że przy nowym piecu będzie to już palenie ciagłe. -
Prośba O Pomoc W Sprawdzeniu Układu
marekbab odpowiedział(a) na marekbab temat w Instalacje CO i CWU
raczej przepalanie -
Prośba O Pomoc W Sprawdzeniu Układu
marekbab odpowiedział(a) na marekbab temat w Instalacje CO i CWU
a może skoro nie mam dużych spadków temperatury pozostawić układ https://forum.info-ogrzewanie.pl/index.php?app=core&module=attach§ion=attach&attach_rel_module=post&attach_id=16180 tym sposobem zakręcając zawór kulowy w okresie letnim bedę grzał tylko cwu. czy się mylę? -
Prośba O Pomoc W Sprawdzeniu Układu
marekbab odpowiedział(a) na marekbab temat w Instalacje CO i CWU
yareka faktycznie masz racje. wiec co proponujesz? -
Prośba O Pomoc W Sprawdzeniu Układu
marekbab odpowiedział(a) na marekbab temat w Instalacje CO i CWU
- obecnie układ jest grawitacyjny (pompa tylko wspomaga) - różnica temperatur przy włączonej pompie na 3cim biegu ok 10 stopni przy wyłączonej do 15stopni tyle że w pokoju najbardziej oddalonym od pieca jest nieco chłodniejszy kaloryfer, - przy obecnym układzie zbiornik cwu nagrzewa mi się bardzo szybko a co do wychłodzenia to wiadomo jak piec wygaśnie to i po jakimś czasie zbiornik będzie również chłodny Problem u mnie nie polega na zbiorniku cwu bo ten działa uważam poprawnie bo w domu dosyć szybko jest ciepła woda z cwu- gorzej latem bo 3 ba wszystkie kaloryfery ręcznie zakręcać. -
Prośba O Pomoc W Sprawdzeniu Układu
marekbab odpowiedział(a) na marekbab temat w Instalacje CO i CWU
na podmieszaniu? czyli wracamy do schematu https://forum.info-ogrzewanie.pl/index.php?app=core&module=attach§ion=attach&attach_rel_module=post&attach_id=16171 -
Prośba O Pomoc W Sprawdzeniu Układu
marekbab odpowiedział(a) na marekbab temat w Instalacje CO i CWU
skłaniam się do podłączenia kotła w najprostszy sposób czyli bez zaworu 3d - (ostatni zamieszczony przeze mnie schemat) czy regulator temperatury( który będzie włączał i wyłączał pompę) będzie miał sen - jako oszczędność na opale i utrzymaniu stałej temperatury w pomieszczeniu? -
Prośba O Pomoc W Sprawdzeniu Układu
marekbab odpowiedział(a) na marekbab temat w Instalacje CO i CWU
-
Prośba O Pomoc W Sprawdzeniu Układu
marekbab odpowiedział(a) na marekbab temat w Instalacje CO i CWU
ale czy nie tańszym układem będzie układ bez zaworu 3d? tylko czy wtedy regulator temperatury( który będzie włączał i wyłączał pompę) będzie miał sen - jako oszczędność na opale i utrzymaniu stałej temperatury w pomieszczeniu? ps. informacyjnie: dziś otrzymałem emaila od firmy SAS w który potwierdzają poprawność obu układów , oraz potwierdzają że zawór 3d jest zalecany, natomiast nie wymagany (jeśli chodzi o zasady gwarancji) chciałbym to zrobić jak najprościej ale sensownie -
Prośba O Pomoc W Sprawdzeniu Układu
marekbab odpowiedział(a) na marekbab temat w Instalacje CO i CWU
regulator pokojowy chciałbym wstawić ze względu na utrzymanie stałej temperatury w pomieszczeniu, oraz zmniejszenie ilości opału. sterownik optima eco 3 ( z tego co wynika z instrukcji) może współpracować z takim regulatorem temp. -
Prośba O Pomoc W Sprawdzeniu Układu
marekbab odpowiedział(a) na marekbab temat w Instalacje CO i CWU
bardziej myślałem o ochronie powrotu- zależy mi również na niskich kosztach montażu. -
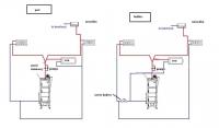
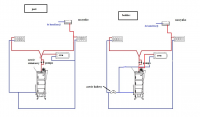
Witam, jest to mój pierwszy post, więc prosze o wyrozumiałość. Obecnie zamówiłem piec SAS UWT 23KW ze sterownikiem optima eco 3. Mam problem z podłączeniem pieca. Obecnie (stary piec zdjęcie w załaczniku ) wspierany był przez pompę, (rys.1) teraz chciałbym tanim i dobrym sposobem podłączyć nowy piec do układu. Problem w tym że naczynie zbiorcze znajduje się w najwyższym punkcie mieszkania na"końcu" układu. zalezy mi równiez na zmniejszeniu obiegu CWU ze względu na to że obecnie w lato trzeba zakręcać wszystkie kaloryfery w domu aby nagrzać wode moje propozycje podłączenia pieca: 1)najprostrze podłączenie 2) z zaworem 3d. dodam że mieszkanie jest z roku 1987, nie ma ogrzewania podłogowego. chciałbym tylko podłączyć regulator temperatury pokojowej. proszę o uwagi
