zuluu
Forumowicz-
Postów
35 -
Dołączył
-
Ostatnia wizyta
Typ zawartości
Forum
Wydarzenia
Blogi
Artykuły
Treść opublikowana przez zuluu
-
hallo czy ktos moze mi pomoc ???
-
Jeszcze jedno, gdy grzejniki maja po 20 zeberek jakie polaczenie najlepsze krzyzowe czy boczne ??
-
Czyli smialo moge zaczynac montaz tego c.o. Super
-
jak moglem to przegapic ;/
-
Grzejniki na trojniku czy osobne galezi i co z zaworem za 4d ?
-
Spoko dzieki , wlasnie z grzejnikami chodzi mi o to jak na schemacie jest przedstawione teraz w dwoch pokojach jest zrobiony trojnik z petli na dwa grzejniki czy nie lepiej bylo by osobno poprowadzic petle dla kazdego grzejnika ?? A i jeszcze jedno pytanie czy za zaworem 4d nie powinno byc jednak tego bajpasu na pompe z zaworem roznicowym ?? Cos ala zabezpieczenie ?? Nie wiem kurde co myslisz A i wracajac do schematu piszesz ze jest ok ten zbiornik - tylko dla potwierdzenia to miejsce gdzie jest powrot do kotla i odpowietrznik to ma byc normalny trojnik tylko ze odpowietrznik musi byc powyzej ujscia do kanalizy ?? dobrze kombinuje :P Wielkie dzieki.
-
vernal jestes co ty na ten schemat ??
-
Czyli chodzi o cos takiego jak na schemacie?? Naczynie bedzie znajdowalo sie w lazience gdyz jest to miejsce pod kotlownia wiec bedzie polaczony z kotlem w lini prostej ale czy to podpiecie jest prawidlowe ?? I co w sprawie tych grzejnikow czy moga zostac na trojniku czy lepiej ciagnac osobny obwod ??
-
Tu juz nie chodzi o budzet bo moge zainwestowac oby to chulalo i nie bylo obaw o zagotowanie. Moze masz jakes rozwiazanie jak uniknac tego niebezpieczenstwa ?? Moze inny piec ??
-
Glownie drewno, czasami wegiel. Mieszkam w okolicy gdzie drewno jest bardzo tanie wiec na to sie nastawiam.
-
Ten KDU to uniwersalny piec na drewno wegiel jezeli chodzi opiec z dolnym spalaniem to by musial byc KWKD 15kW ??
-
A co bys powiedzial na Zebiec KDU tylko teraz nie wiem czy 20kW czy 26kW dom chwilowo nie ocieplony, grubosc murow 36 cm cegla/pustak, okna plastikowe, w najblizszych 12 miesiacach planowane ocieplenie styropianem 10 cm. Jak juz wspominalem powierzchnia domu 150 m2. Co ty na to ??
-
Kociol bedzie 18 kW poniewaz powierzchnia domu wynosi 150 m2. Jakie ma znaczenie roznica sterownika ?? Czy nie mozna tu zastosowac zwyklego kotla bez sterownika na rozne paliwa jak wegiel drewno ?? Filtry oczywiscie beda ale za duzo rysowania :D Czy w przypadku zwyklego kotla bez sterownika mozna ta drabinke podpiac pod rozdzielacz?? I czy nnie lepiej by bylo poprowadzic osobnych obwodow na grzejniki zamiast stosowania trujnikow w dwoch przypadkach jak na schemacie ?? W sprawie P.S nie badz taki skromny z twoich innych postow wnioskuje ze duzo wiesz na ten temat.:P
-
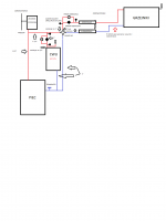
Witam Wszystko sie da :D Czyli rura glowna wychodzi z kotla po 25 cm trojnik, przejscie na 1'',pol metra rura i zawor 4d a po drodze w polowie trojnik na cwu - o to ci chodzilo to tak bedzie :D Srednice poprawione, bypas zlikwidowany, z tym zaworem zakrecanym to zamienic oby dwa czy tylko na powrocie czy zasilaniu do cwu??? Z ta drabinka to jest tak ze gdy latem bedzie grzane w piecu w celu podgrzania wody ma ona zapobiec przegrzaniu pieca taki dodatkowy odbiornik ciepla ?? Czy lepiej bedzie to zlikwidowac i wpiac pod rozdzielacz, I nic nie bedzie sie dzialo z piecem ?? Jeszcze nie wyraziles opini na temat tego zaworu na '' lato '' Wielkie dzieki za wszelkie info do tej pory. Poprawiony schemat
-
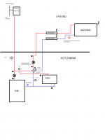
Witam, nareszcie znalazlem chwile czasu a wiec odpowiadam na propozycje : zawor 4d bedzie umieszczony ok 1 m od rury prowadzacej do zbiornika wyrownawczego - czy to wystarczy ?? wywalilem zawor roznicowy zmienilem srednice rur zawor o ktorym mowa na cwu to kulowy w celu awari cwu lub pompy aby odciac doplyw wody - czy pasuje ?? Chce dodac ze kotlownia znajduje sie na parterze a mieszkanie na pietrze, bojler jak na rysunku znajdowac sie bedzie na parterze - czy to wszystko bedzie teraz dzialalo dobrze?? Co w razie braku pradu czy trzeba cos jeszcze zastosowac aby sie zabezpieczyc przed tym?? Czy ten zawor na lato to bezpieczne rozwiazanie w polaczenie z tym grzejnikiem drabinkowym ??? Prosze o opinie z gory dziekuje dolanczam poprawiony schemat.
-
A moze jednak ktos ??
-
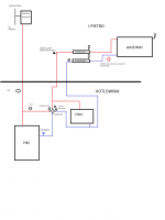
Witam To moje kolejne podejscie co do schematu. Zaczerpnalem troche informacji i probuje jeszcze raz, miejmy nadzieje ze z pozytywnym skutkiem. Prosze o opinie na temat instalacji z rozdzielaczem na pex fi 16 mm. Odrzewanie prowadzone w scianie tuz nad posadzka oraz czesciowo podlogowo. Prosze o opinie na temat zaworu z przeznaczeniem na lato. Czy kociol w tym ukladzie sie nie bedzie zagotowywal?? Z gory dziekuje za podpowiedzi.
-
Pompy wlozone bez zaworow roznicowych jak napisane bylo u gory. Kociol to PER EKO KSW PLUS 20. Schemat poprawiony. Dzieki.
-
Ok poprawione. Zawor 4 D zmieniony na 1 1/2'' ale rozdzielacz ma wejscie 1'' czy zmniejszyc wylot z zaworu czy zastosowac redukcje przed rozdzielaczem ?? Oraz czy termometr jest w dobrym miejsci i czy ten letni zawor okaze sie dobrym rozwiazaniem ?? Czy nie bedzie dochodzic do sytuacji ze kociol bedzie sie zagotowywal??
-
OK zmienilem wszystko jak napisales, jezeli dalej nie tak to sie poddaje :P. A co z pompa czy bedzie ok jezeli nie bedzie zadnej ?? A jezeli powinna byc to gdzie ??
-
ktora czesc jest zla, jestem laikiem wiec prosze o troche zrozumienia.
-
wrrrr....
-
Srednice rur podane. CWU plaszczowy poziomy Zmienilem zawor zwrotny na roznicowy. Termometr da rade przesunac. Co oznacza ze obwod nie moze byc taki duzy ?? Czy trzeba go podzielic ??? Sory ale nie jestem pewien o co chodzi ?? I czy napewno zlikwidowac ten zawor roznicowy na c.o Wstawiam tez poprawiony schemat. Czy zawor na lato bedzie dzialal dobrze ??
-
Czy nie ma tu nikogo kto by mogl na to spojrzec???
