Tadziu2222
Forumowicz-
Postów
16 -
Dołączył
-
Ostatnia wizyta
Typ zawartości
Forum
Wydarzenia
Blogi
Artykuły
Treść opublikowana przez Tadziu2222
-
Witam jeszcze raz. Jeszcze jedna sprawa. Wedle mojego pierwszego schematu. Czy pompa którą mam zamontowaną na zasileniu przed zaworem 3D ma tak byc, czy lepiej gdy będzie za zaworem 3D. Chodzi głównie o ochronę kotła niskotemperaturową. I czy naczynie wyrównawcze może tak zostac, czy wstawaijąc nowy piec zadbać aby naczynie wyrównawcze było podłączone bezpośrednio rurą ?
-
Witam, nie ma możliwości zamontowania zaworu 4D tak, aby układ działał tez grawitacyjnie, a tu moje pytanie, czy takie założenie zaworu 3D, z pompą przed nim na zasileniu,i podczas pracy, gdy go częściowo otworze, to zwiększy temp. powrotu wody wracającej do kotła?
-
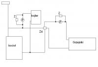
Witam, w najbliższym czasie planuje przeróbkę instalacji CO. Zostanie założony nowy piec, SAS NWT 17 kW, w załączniku schemat, proszę o opinie poprawności schematu. Zawór 3D ma głównie zabezpieczać piec przed korozją - czy spełni on w tak podłączonym schemacie swoją funkcję. Czekam na odpowiedzi.
-
Witam, jak na razie nie planuje srednicy rur, chodzi mi o to, czy ten układ będzie działał w jakims stopniu grawitacyjnie?
-
Witam, załączam schemat, chodzi głównie o to czy taki schemat jest dobry, i czy będzie działał również przy braku prądu?
-
-
Witam. Mam w domu taką sytuacje jak na rysunku. Grzejniki na wysokości pieca. Czy jeśli podłącze to jak na schemacie będzie wszystko ok? Proszę o opinie i podpowiedzi, zmiany :) ogrzewanie schemat.bmp
-
Witam. Czy mogę zamontować zawód 4D w instalacji gdzie piec jest na tej samej wysokości co grzejniki?
-
Dobór kotła Spalanie Drewna... Jaki Piec? Spalanie Dolne Czy Górne?
Tadziu2222 odpowiedział(a) na Tadziu2222 temat w Kotły zasypowe
Aaaa i czy masz zatkaną tą dziurę u góry kotła, czytałem, że zwiększa to stałopalność.- 29 odpowiedzi
-
Dobór kotła Spalanie Drewna... Jaki Piec? Spalanie Dolne Czy Górne?
Tadziu2222 odpowiedział(a) na Tadziu2222 temat w Kotły zasypowe
Młodzieniec, ale jak oglądam ofertę SAS-a to obecnie produkowane kotły NWT mają możliwość dokupienia miarkownika. Drewno na miarkowniku z wyłączona dmuchawą, a węgiel na dmuchawie :) Chciałbym abyś napisał jaki duży masz dom, jak ocieplony, i w te mrozy ile kg węgla spaliłeś na dobę (2 zasypy).- 29 odpowiedzi
-
Dobór kotła Spalanie Drewna... Jaki Piec? Spalanie Dolne Czy Górne?
Tadziu2222 odpowiedział(a) na Tadziu2222 temat w Kotły zasypowe
Ooo jeszcze jeden pomysł :) Firma SAS piec NWT (dmuchawa) piec NWG (miarkownik) Piece dolnego spalania :) hmm podobają mi sie- 29 odpowiedzi
-
Dobór kotła Spalanie Drewna... Jaki Piec? Spalanie Dolne Czy Górne?
Tadziu2222 odpowiedział(a) na Tadziu2222 temat w Kotły zasypowe
3 w nocy a ja siedze i szukam pieca :) Po wszystkich pomocnych odpowiedziach jednak nadal sie waham... 1. Stwierdzenie Taty: Piec ma być Zębca, Cichewicza. Ma to być znana firma, nie ma na forach o tych firmach niczego złego. 2. Jak radzicie, piec z dolnym spalaniem (nie interesuje nas żaden holzgas!) -Zębiec KWKD 15 -Cichewicz Ultima II 3. Cały czas wielka ochota na kocioł Zębiec Wenus. Czy przy górnym spalaniu, dokładaniu drewna co 2 h, a na noc mieszanka drewna z węglem sprawdzi sie?- 29 odpowiedzi
-
Dobór kotła Spalanie Drewna... Jaki Piec? Spalanie Dolne Czy Górne?
Tadziu2222 odpowiedział(a) na Tadziu2222 temat w Kotły zasypowe
Witam ponownie. Szukam kociołków czytam latam i nie mogę znaleźć tego czego chce. Chciałbym kocioł z dolnym spalaniem, którym do spalania drewna będę sterował miarkownikiem a gdy będę palił węglem będzie to sterownik z dmuchawą. Piec zębiec Wenus ma właśnie te wszystkie możliwości ale jest z górnym spalaniem. Odradzacie tego Wenusa? jeśli tak do doradźcie coś z Dolniaków z dmuchawą i miarkownikiem.- 29 odpowiedzi
-
Dobór kotła Spalanie Drewna... Jaki Piec? Spalanie Dolne Czy Górne?
Tadziu2222 odpowiedział(a) na Tadziu2222 temat w Kotły zasypowe
Witam :) sobota minęła sklepy pozamykali a ja nadal marze ^^ Nic nie kupiłem dzis, pewnie i dobrze, bo jeszcze chce poczytac. Mam kilka pytań: - podoba nam sie Zębiec Wenus lecz jest to górne spalanie... do drewna stosował bym miarkownik ciągu, a przy spalaniu węglem sterownik z dmuchawą. - szukam również kotła z dolnym spalaniem: co byście doradzili? Cichewicz Ultima II? Zębiec KWKD?- 29 odpowiedzi
-
Dobór kotła Spalanie Drewna... Jaki Piec? Spalanie Dolne Czy Górne?
Tadziu2222 odpowiedział(a) na Tadziu2222 temat w Kotły zasypowe
Dziękuje za odpowiedzi. Cichewicz Sigma... hmm ok.5,5 tys zł... Na stronie producenta mowa o jakiś zbiornikach akumulacyjnych? Szczerze boje się takiego pieca, wolał bym raczej cos normalnego z (jak doradzacie) dolnym spalaniem. Proszę o zopiniowanie pieca Kostzrewa Warmet 200 ceramik. Ten kociołek bardzo mi się podoba.... cichewicz logica nie zmieści mi się do kotłowni.- 29 odpowiedzi
-
Dobór kotła Spalanie Drewna... Jaki Piec? Spalanie Dolne Czy Górne?
Tadziu2222 opublikował(a) temat w Kotły zasypowe
Witam. Wspólnie z tatą podjęliśmy decyzję o wymianie naszego kotła. Nasz dom ma powierzchnię 130m2, ocieplony 8 cm styropianu. Głównie spalamy drewno, przy większych mrozach jest to węgiel. Poszukuje informacji czy do naszych potrzeb lepszy będzie piec z dolnym spalaniem czy z górnym. Proszę także o zopiniowanie naszych pomysłow - Cichewicz Logica - Kostrzewa Wermet 200 ceramik - Zębiec Wenus (górne spalanie) - Zębiec KWKD (dolne spalanie) zazanczam, że głównie bedzie palone drewno (brzoza, dą B)- 29 odpowiedzi
