tomee
Forumowicz-
Postów
14 -
Dołączył
-
Ostatnia wizyta
Typ zawartości
Forum
Wydarzenia
Blogi
Artykuły
Treść opublikowana przez tomee
-
De Dietrich Kocioł De Dietrich - Gdzie Jest Odpowietrznik Ręczny?
tomee odpowiedział(a) na tomee temat w Kotły gazowe
Informacyjnie, gdyby ktos kiedys mial ten sam problem co ja - odpowietrznika nie znalazlem. Natomiast wygrzebalem dzis oryginalna francuska instrukcje, ktora przyszla razem z kotlem i nie ma tam ani slowa o odpowietrzaniu recznym przy uruchomieniu! Oczywiscie nazwa modelu i reszta instrukcji sa dokladnie takie same, jak w polskiej wersji. Wykaz czesci zamiennych tez rozni sie tylko tym jednym elementem - w polskiej instrukcji widac na schemacie wymiennika krociec, a w oryginalnej francuskiej zamiast krocca jest tylko plastikowa pokrywa (dokladnie taka, jak na moich zdjeciach)! Wot, tieknika... :blink: -
De Dietrich Kocioł De Dietrich - Gdzie Jest Odpowietrznik Ręczny?
tomee odpowiedział(a) na tomee temat w Kotły gazowe
Heh, wielkie dzieki za zaangazowanie. Ale jesli mowisz o http://www.mushasi.p...DENS_IIN-IT.pdf, to widocznie jestem debilem, bo ze schematu na stronie 30 wynika albo, ze na kopulce jest krociec (ktorego u mnie nie ma - patrz zdjecia), albo ze te kopulke nalezy rozmontowac, o czym z kolei w instrukcji ani slowa :( Mowisz, ze wymiennik jest taki sam jest w Saunier - a tam jak to jest rozwiazane? Odpowietrznik na wierzchu czy trzeba rozkrecic obudowe zeby sie do niego dobrac? Dzieki jeszcze raz! -
De Dietrich Kocioł De Dietrich - Gdzie Jest Odpowietrznik Ręczny?
tomee odpowiedział(a) na tomee temat w Kotły gazowe
Spoko, to nie były pretensje do Ciebie że nie masz do czynienia z DeDietrichem, po prostu często mam wrażenie, że dużo osób na widok produktów tej firmy robi duże oczy. Co nie ułatwia szukania pomocy na forach itp ;-) Tak jak pisałem, cyknąłem fotki. W miejscu, gdzie powinien być ów cycek (zaznaczony w drugim PDFie który zamieściłem, z instrukcją odpowietrzania) jest plastikowa kopułka dokręcona na 8 torxów. Aż trudno mi uwierzyć, że można schować odpowietrznik w tak chorym miejscu (wykręcić te torxy i ich nie pogubić to z pół godziny roboty). Już łatwiej wyciąga się sam palnik... Zerknij proszę na fotki, jest wg. Ciebie jest szansa że pod tą pokrywką może być ten cholerny króciec? Dzięki z góry ;-) -
De Dietrich Kocioł De Dietrich - Gdzie Jest Odpowietrznik Ręczny?
tomee odpowiedział(a) na tomee temat w Kotły gazowe
Heh, czyzby DeDietrich byl az taka egzotyka ze ani Ty, ani nikt inny nie wie, gdzie tego cholerstwa szukac? :wacko: Tutaj wg. schematu (drugi pdf) odpowietrznik powinen byc w miejscu gdzie jest plastikowa kopulka, byc moze rozbieralna. Jutro sprobuje zrobic fotke. -
De Dietrich Kocioł De Dietrich - Gdzie Jest Odpowietrznik Ręczny?
tomee odpowiedział(a) na tomee temat w Kotły gazowe
Jedyne schematy z instrukcji technicznej to te dwa w zalaczniku. Ten drugi odpowiada faktycznemu wygladowi kotla, ale w miejscu gdzie zaznaczyli odpowietrznik go nie ma. Jest kopulka plastikowa, ktora byc moze daloby sie odkrecic. Myslisz, ze krociec schowany jest pod nia? dtg1300_1.pdf dtg1300_2.pdf -
De Dietrich Kocioł De Dietrich - Gdzie Jest Odpowietrznik Ręczny?
tomee odpowiedział(a) na tomee temat w Kotły gazowe
Tak jak pisalem, pompa ma rure/krociec na ktorej jest odpowietrznik automatyczny. Ale ten odpowietrznik jest duzo nizej niz wymiennik wiec powietrza z wymiennika ktore tam stoi moze nie usunac. W schemacie jest odpowietrznik w okolicy wymiennika - ale w rzeczywistosci z zadnej strony nie da sie go wymacac. Wiec albo go tam jednak nie ma, albo cos jeszcze trzeba rozkrecic. -
De Dietrich Kocioł De Dietrich - Gdzie Jest Odpowietrznik Ręczny?
tomee odpowiedział(a) na tomee temat w Kotły gazowe
Ale że co jest standardem? ;-) Że go nie ma? Że jest, ale nie umiem go znaleźć? Że schemat jest niejasny? :) -
De Dietrich Kocioł De Dietrich - Gdzie Jest Odpowietrznik Ręczny?
tomee opublikował(a) temat w Kotły gazowe
Hej, po wymianie kilku grzejników, płukaniu instalacji etc. chciałem odpowietrzyć kocioł - De Dietrich DTG 1300-24 / V130. W instrukcji jest schemat elektryczny i wg. niego odpowietrznik ręczny powinien znajdować się w okolicach wymiennika. Niestety rysunek jest bardzo schematyczny, a po zdjęciu pokrywy górnej sekcji kotła (tej z palnikiem, wymiennikiem, syfonem, tłumikiem etc.) nijak nigdzie nie widać niczego, co mogłoby wyglądać jak odpowietrznik. Czy ktoś, kto ma doświadczenie z kotłami tej firmy mógłby coś podpowiedzieć? Może trzeba dodatkowo rozkręcić obudowę wymiennika? Nie chciałem "na próbę" rozkręcać wszystkiego w okolicy, z wiadomych powodów ;) PS. Kocioł ma odpowietrznik automatyczny na pompie, ale znajduje się on sporo niżej niż wymiennik. Dzięki wielkie za wszelkie rady! ;) -
Witam, mam pytanie: czy tę wkładkę: da się wymienić inaczej, niż razem z całym grzejnikiem? Niestety po latach zasyfiła się tak, że trzpień nie sprężynuje i trzeba go wyciągać kombinerkami, do tego nawet na maksymalnej nastawie przepływu kaloryfer jest ciepły w 1/3 (w okolicy zaworu). Dziękuję z góry za porady ;)
-
Odpowietrznik Na Powrocie Z Rozdzielacza - Czy Ma Sens?
tomee odpowiedział(a) na tomee temat w Instalacje CO i CWU
Dzięki za odpowiedzi, wobec tego stary zużyty odpowietrznik zastąpię korkiem, albo odpowietrznikiem ręcznym. -
Odpowietrznik Na Powrocie Z Rozdzielacza - Czy Ma Sens?
tomee odpowiedział(a) na tomee temat w Instalacje CO i CWU
Rozdzielacz jest faktycznie na ścianie a instalacja w podłodze, ale zasila kaloryfery, które są wyższe od rozdzielacza. Do tego pół metra dalej w stronę kotła jest 1,5m pion zakończony naczyniem wzbiorczym i odpowietrznikiem. -
Odpowietrznik Na Powrocie Z Rozdzielacza - Czy Ma Sens?
tomee opublikował(a) temat w Instalacje CO i CWU
Witam, mam następujące pytanie: czy jest sens montować odpowietrznik automatyczny na powrocie z rozdzielacza co? Czy też w takim układzie będzie głównie zasysał powietrze, zamiast je usuwać? Pompa jest na zasilaniu. -
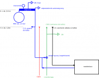
Witam wszystkich, to moj pierwszy post na tym forum ;) Kociol gazowy kondensacyjny De Dietrich, jednofunkcyjny z wbudowanym zasobnikiem. Objawy: od pewnego czasu spadalo cisnienie w obiegu zamknietym (wezownicy i co), od 1,5bar do 0 w ciagu kilku-kilkunastu dni. Pierwsze podejrzenie padlo na zawor bezp. przy naczyniu wzbiorczym c.o. - faktycznie puszczal, zostal wymieniony. Przy okazji wymienilem naczynie wzbiorcze bo w starym membrana przeciekala. Po wymianie czas miedzy napelnieniami instalacji sie zwiekszyl, zapewne z powodu pojemnosci buforowej naczynia, ale problem nie zniknal, a z czasem tempo spadku znowu wzroslo. Podejrzewalem wyciek w instalacji c.o., ale: - nigdzie go nie widac. Rury sa w wylewce ale podloga jest sucha, sasiedzi (dom wielorodzinny) z dolu tez sie nie skarza na zacieki. - po zamknieciu zaworow zasilania i powrotu c.o. na kotle (przy wylaczonym obiegu oczywiscie) wskazowka manometru na naczyniu wzb. pozostaje w tym samym miejscu, a manometr elektroniczny w kotle spada do "0" w ciagu kilku godzin. Wyglada wiec to na wyciek w samym kotle, ale tu tez na pierwszy rzut oka po zdjeciu frontu kaluzy nie ma... Kolejny pomysl to przeciek z wezownicy zasobnika do samego zasobnika, tylko nie bardzo wiem jak woda o cisnieniu 1-2 bar (tyle jest w obiegu co) moze "wciec" do zasobnika, skoro cisnienie w wodociagu wynosi ok. 4 bar? Do tego od kilku dni slychac, ze puszcza ZB na zasilaniu zimnej wody do kotla. Zainstalowalem w tym miejscu manometr i okazuje sie, ze cisnienie wynosi 4 bar, a gdy zalaczy sie grzanie c.w.u - w pare minut podnosi sie do 6 bar i wtedy zaczyna puszczac ZB. Po odkreceniu kranu z ciepla woda cisnienie momentalnie wraca do 4 bar. Zakladam, ze ten wzrost cisnienia na zasilaniu to tez nie jest normalny objaw? Sskoro instalator zalozyl tam ZB 6 bar to chyba cisnienie nie powinno osiagac takiej wartosci? I czy wskazuje na wyciek w wezownicy, czy moze na cos innego? "Fachowcy" do tej pory zbywali problem nieszczelnoscia kaloryferow, ale wtedy jeszcze m.in. nie robilem testu z zamknietymi zaworami. Dziekuje z gory za sugestie, mnie skonczyly sie pomysly ;( Zalaczam nieudolny schemat wlasnej produkcji, moze w czyms pomoze.
-
Witam wszystkich, jestem tu nowy ;) Posiadam kocioł kondensacyjny De Dietrich DTG 1300-24 ze sterowaniem pogodowym Easymatic FM50. Od jakiegoś czasu zastanawia mnie parametr "wpływ czujnika pokojowego" owego sterownika. Co dokładnie on określa i na co wpływa? Rozumiem, że przy wartości 0 (minimalnej) odczyt temperatury jest pomijany i temp. zasilania wyliczana jest tylko z krzywej grzewczej a palnik pracuje na okrągło w zaprogramowanych godzinach. A pozostałe nastawy? Na co wpływają? Tzn. zapewne po osiągnięciu zadanej temperatury palnik się wyłączy, ale czym różni się np. nastawa 3 (fabryczna) od nastawy 8?
