Jjaarek
Forumowicz-
Postów
20 -
Dołączył
-
Ostatnia wizyta
Typ zawartości
Forum
Wydarzenia
Blogi
Artykuły
Treść opublikowana przez Jjaarek
-
A czemu akurat w pionie?
-
Ktoś się wypowie?
-
Witam! Mam takie pytanie jaki i gdzie zastosować zawór zwrotny by zapobiec wychładzaniu wody w bojlerze przy jednoczesnym zachowaniu grawitacyjnego jego nagrzewania (płaszczowy 140 l). Czy dać zawór zwrotny na bajpasie za pompa, czy też zwrotny klapowy na rurze zasilającej, bądż tez może z wyciagniętą sprężyną? Macie jakieś propozycje?
-
Rura bezpieczeństwa prowadzona jest bezpośrednio z pieca na strych, więc z tym nie ma problemu instalacja jest bezpieczna. Chodzi o to by wody w grzejnikach nie było(chodzi właśnie o zamarznięcie).Głowice ustawione już na minimum i właasnie podczas mrozów antyzamarzniecie nic nie pomogło i 2 żeberka do wymiany...) Muszę też dokonać niezbędnej naprawy dlatego myślałem nad spuszczeniem wody do niezbędnego poziomu. instalacja miedziano-aluminiowa wiec dużego prawdopodobieństwa szybkiej korozji nie ma. A co jeśli na pionach pozakładałbym zawory odcinajace + ewentualnie jakieś odpowietrzniki. Naczynie wzbiorcze spełniło by swoja funkcje? Było by 5 m wyżej. Czy raczej konieczne jest założenie 2-go naczynie wzbiorczego?
-
Witam! Posiadam dom 2-u piętrowy. Do tej pory na pietrze mieszkali lokatorzy, jednak sie wyprowadzili. Instalacja jest wykonana z miedzi, naczyne wzbiorcze jest na strychu. Moje pytanie jest takie, czy mogę spuścić wodę z układu tak aby ostatnie pięrto nie grzało? Czy wtedy instalacja będzie bezpieczna podczas zagotowania wody w piecu? Piec jest zasypowy ze sterownikiem SAS uwt 17kw. Proszę o poradę.
-
To może lepiej zamontować ZZ już za pompą i ZR na rurze do bojlera, efekt będzie i pompa CO nie będzie wychładzać bojlera(może podbierać ciepłą wodę i go ochładzać)Chyba że ZZ w tym miejscu też temu zapobiegnie?
-
Witam! A ja mam takie pytanie. Czy zawór zwrotny na odcinku zasilania bojlera zablokuje podbieranie z niego cieplej wody? Zawór różnicowy nie przepuści obiegu wody? Czy wystapi ten problem?
-
A czy umieszczenie zaworów zwrotnych na bajpasie nie będzie powodować podbierania wody i bojler będzie się wycłladzał? z tym 5/4 na bojler to jest do zrobienia tyle że króciec przy zbiorniku to chyba 3/4 ale to bez problemu da sie obejść. Tak warunkiem gwarancji jest zawór 4d lub 3d, ale jakoś nie widzi mi się dawać jeszcze 3 pompy... mówisz że ciężko będzie utrzymać taka temperaturę powrotu... to właściwie po co dawać wogóle te zawory mieszające skoro nic nie dają? Kolego możesz mi narysować bądz poprawić jak Ty widzisz mój schemat?
-
Witam! Kocioł to SAS uwt 17Kw. powiem tak instalacja miedziana zrobiona w tamtym roku rurki od piwnicy 28 po grzejniki 15 jak do tej pory wszystko działa na grawitacji na starym piecu. Kotłownie planuje zrobić w stali 1 1/4" cwu 1" i myślałem że pociągnie to na grawitacji ze względu na częste braki prądu. A gdyby te zawory zwrotne były klapowe? sytuacja była by ta sama? nie chodzi nawet o samo obsługowość tej instalacji tylko o reczne przestawianie zaworów (4d i ewentualnie właśnie obejścia 4d) a ten bajpas na bojlerze nie spełni swojej funkcji? zawór różnicowy kulowy nie otworzy się?
-
Koledzy czy takie obejście (zaproponowane na 1 schemacie) zaworu 4d w celu lepszego dzialania grawitacji podczas braku pradu jest poprawne i czy zda egzamin? aha i jaki problem z tym sterowaniem bojlerem? prosze o jakies podpowiedzi i ewentualne poprawki w moim schemacie.
-
Witam! Sterowanie CWU sterownikiem pieca. A z CWU jest coś nie w porządku? a obejścia zaworu 4d mają służyć lepszemu działaniu grawitacyjnemu instalacji.
-
Wypowie się ktoś jeszcze?
-
Myślisz ze wtedy powrót zadziala grawitacyjnie?
-
Myślę że bedzie pełnił swoje zadania(ochrona kotła i regulacja temp)
-
Witam! W załączniku przesyłam opisany schemat. Instalacja tak jak już pisałem z miedzi (juz istnieje i działa wykonałem w tamtym roku) teraz nadszedł czas na przeróbkę kotłowni i zmianę pieca. W całym domu 70 żeberek aluminiowych + 2 drabinki łazienkowe, co do podłogówki to rozważam taka możliwość zrobienia jej w piwnicy w 2 pomieszczeniach (nie ma ta jeszcze wylewek) to około 35 m2 i w tej sytuacji myślałem tylko o zaworze RTL czy to dobry pomysł?czy trzeba by dawac rozdzielacz i pompe? Pozdrawiam Jarek
-
Witam! Proszę o ocene schematu kotłowni i ewentualne sugestie. Dodam ze to dom 140m2,boiler 140l, instalacja miedziana.
-
Z tym schematem to narazie nie mozliwe bo jestem za granica, a ten schemat ktory wyrysowałem w pełni oddaje idee ukladu. Do naczynie jest niestety tylko 1 rura 28mm Cu. a co do rury powrotnej to nie było by problemu bo mogłbym ja puscic w innym pomieszczeniu bo jest taka mozliwosc.Nie musiala by isc bezposrednio do kotłowni.
-
Schemat kotlowni i parteru mam ale na papierze od projektanta wiec wszystko ok. z tymi rurami to akurat problem,bo w rogu pokoju nie moga isc a wypadna akurat w srodku ściany w salonie wiec lipa. Czyli wykorzystanie rury bezpieczenstwa odpada? trzeba cały nowy pion podpiety do "lewej "strony pieca - układ pompowy zasilania c.o?
-
Cała instalacja wykonana w miedzi. Rozdzielacz 4 sekcje 2 grzejniki w pokojach, 1 łazienkowy , 4 sekcja na razie nie wykorzystana. instalacja parteru jest juz wykonana ale , po dobodowie poddasza uzytkowego trzeba tam doprowadzic ogrzewanie. Narazie jest tam poprowadzona tylko rura bezpieczenstwa 28 Cu i pomyslałem ze mozna ja wykorzystac do zasilania tego pietra, ale po waszych wypowiedziach sadze ze bedzie to raczej nie mozliwe. Macie jakies rady jak to rozwiazac? Czy poprostu bede musiał wkuwac w sciane nowy pion do zailania tego rozdzielacza. Pozdrawiam
-
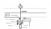
Witam! Wstępnie wyrysowałem schemat mojej planowanej kotłowni. Rysunek posiada tylko rury zasilające, powrotów nie rysowałem gdyż są zbędne. Proszę o ocenę schematu, chodzi mi głownie o to czy połączenie głównej rury zasilającej grzejniki na parterze z rurą bezpieczeństwa jest właściwe (zawór zwrotny)czy jest on tam potrzebny? Z rury bezpieczeństwa mam zamiar zasilać rozdzielacz grzejników na 1 pietrze. Dodam iż jest to dom o pow. 150 m2 podpiwniczony, nieocieplony(narazie) aha na schemacie nie ma oczywiście wszystkich innych zaworów filtrów itp (z braku miejsca ) Pozdrawiam Proszę o rady i wskazówki
