Skocz do zawartości

mirekj

Forumowicz
  • Postów

    8
  • Dołączył

  • Ostatnia wizyta

Osiągnięcia mirekj

Żółtodziób

Żółtodziób (2/14)

  • Pierwszy post
  • Tydzień pierwszy zaliczony
  • Miesiąc później
  • Od roku na pokładzie
  • Starter dyskusji

Najnowsze odznaki

0

Reputacja

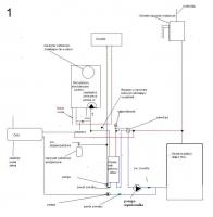
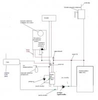
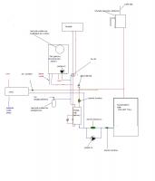
  1. Witam. Przerobiłem swój schemacik instalacji i zrobiłem dwie wersje .Zastosowałem sie do wskazówek trumotera i o ile wszystko dobrze zrozumiałem to ma to wyglądać jak na schemacie 1. Pozwoliłem sobie zrobić również inną wersie . Na drugim schemacie według mnie wystarczyło by odciąc zaworem kulowum wymiennik i wtedy piec gazowy pracował by tak jak obecnie i nie ma potrzeby stosowania baypassów. Nie wiem czy dobrze myślę, więc jak by ktoś mógł na to zerknąć i dac mi jakies rady to będę bardzo wdzięczny. Pozdrawiam Mirek
  2. Witam. Dziękie za szybką odpowiedz i cenne rady . Zraobie juz sam nowy schemacik i postaram sie zamieścic e nim wzystkie uwagi które wypisałeś. Zastanawiam się jeszcze czy wyjście z wymiennika poprowadzic do pieca gazowego i zastosować byapass czy zrobić to jak na wcześniejszym schemacie? Wiem zrobie oba i zobaczymy jak to będzie wyglądało Pozdrawiam
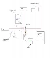
  3. Witam . Dziękuje wszystkim za cenne rady . Przekazałem te schematy instalatorowi który ma mi to robić. Dziś przywiózł mi nowy schemat i powiedział , że teraz to już jest wszystko OK . Ja mam jednak takie pytanie ,czy nie zastosowac pompy do cwu i jak będzie zachowywał się piec gazowy skoro woda będzie przez niego cały czas przepływała. Jak widac na schemacie piec ten ma wbudowaną pompe co, czy to w niczym nie przeszkadza?? I jeszcze jedno czy wymiennik 20kw wystarczy do pieca który ma 17kw, czy lepiej dać trochę większy? Pozdrawiam Mirek
  4. Dziękuje za szybką odpowiedz. W tym tygodniu ma być u mnie mój instalator , żeby dogadać szczegóły więc pokarze jemu ten schemacik zobzczymy co powie. Jak było widac jego projekt nie był zbyt udany.(Ciężko teraz o dobrych fachowców) Mam jeszcze jedno pytanie co z zaworen 4d nie stosowac go w ogóle?
  5. Wrzucam jeszcze raz schemacik bo wcześniej coś mi się pokręciło :D [
  6. Witam. Wniosłem małe poprawki do projektu instalacji i chcial bym wiedzieć czy teraz bedzie ok. a jak nie to co jeszcze tu zmienić.Oczywiscie nie rysowałem filtrów i zaworów odcinających . nowa_inst.zip
  7. Dziekuję za cenne rady , postaram sie jak najszybciej przerobić ten schemat i podrzucę go do oceny. Pozdrawiam wszystkich mirekj
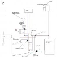
  8. Witam . Proszę o opinie instalacji co . Dokładam piec na paliwo stałe i mój instalator zaproponował mi układ jak na załączonym schemacie, jednak ja mam małe watpliwości czy jest on prawidłowy. Od pewnwgo czsu śledze forum i brakuje mi tam zaworu 4d i nie jestem pewien co do prawidłowości podłączenia wymiennika oraz czy nie powinna być tam jeszcze jedna pompa za wymiennikiem. Naczynie wzbiorcze jest na strychu ale nie wiem czy jest prawidłowo podłączone , może wystarczy samo zasilenie ?? Proszę o opinie i porady za które z góry dziękuję.
×
×
  • Dodaj nową pozycję...

Powiadomienie o plikach cookie

Używając tej strony zgadzasz się na Polityka prywatności.