Skocz do zawartości

mariusz500

Forumowicz
  • Postów

    7
  • Dołączył

  • Ostatnia wizyta

Treść opublikowana przez mariusz500

  1. Witam panowie, ale ja się wcale nie obraziłem nie jestem fachowcem w dziedzinie podgrzewania CWU dlatego tu pisze, są to moje koncepcje które może są trafne albo też nie.. podgrzewacz mam już kupiony ma służyć temu żeby żona nie musiała w lecie palić aby mieć ciepłą wodę, a ja będę palił w wolnej chwili. Bojler ma wymiennik płaszczowy, o wysokiej sprawności dlatego wyszłem z założenia że woda w nim się szybko nagrzeje i nie będzie to miało wpływu na grzanie grzejników wyżej. Do tego zbiornik jest izolowany termicznie więc sam nie powinien się wychładzać. Zastanawiałem się nad zrobieniem obejścia tego zbiornika z zaworami, którymi odpowiednio kryzowałby się przepływ bo wiadomo że woda idzie tam gdzie jej łatwiej. to rozumiem panowie że polecacie osobny obieg z pompą i zaworem klapowym oraz sterownikiem CWU.
  2. wszystko się zgadza, tylko stosując rozwiązanie widoczne na zdjęciu nie pogarsza zasilania hydraulicznego grzejników. Jest to taka alternatywa bo ciepłą wodę trzeba mieć zawsze, a jak już się nagrzeje to nie wychładza zasilania do celów CO. Jest to raptem pół godziny palenia na starcie więcej.. Rozumiem że polecacie zastosowanie osobnego obiegu z pompką i sterowaniem CWU. Ja ewentualnie zastosowałbym do tego układu by-pass tak aby można było ewentualnie odłączyć zbiornik czy też kryzować jego przepływ aby mieć regulacje tylko po co..
  3. No ale dlaczego nie rozsądnie jest tak wpiąć zasilanie??
  4. Tak się składa że tak doradziło mi kilku fachowców, chodzi mi o idee schematu a nie szczegóły instrukcji obsługi bojlera które mi kolega wytyka.., schemat jest ideowy a projekt wykonawczy to pewna różnica... A tak poza tym to chyba dobrze jak woda jest zawsze grzana, panie specjalisto od granatów.. Proszę o fachową poradę czy można zastosować takie rozwiązanie czy lepiej zastosować inne rozwiązanie. Wiem że schematów na tym forum jest dużo, ale nie znalazłem takiego rozwiązania aby na samym zasilaniu wpiąć bojler.
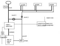
  5. Witam szanownych specjalistów, proszę o ocenę schematu podłączenia bojlera CWU do układu, ogrzewanie mam już wykonane w tradycyjny sposób a więc tak jak widać na załączonym schemacie, piec jest na paliwa stałe, wg mnie nie ma sensu stosować zaworów 4d itp, pompka chodzi na najniższym biegu wszystkie grzejniki są po kryzowane tak że obieg ciepłej wody zaraz wraca do pieca a grzejniki wszystkie równocześnie łapią z opóźnieniem temperaturę. Chodzi mi tylko o temat podłączenia bojlera, obieg zimowy zawór 1 zamknięty, zawór 2 otwarty, obieg letni zawór 1 otwarty, zawór 2 zamknięty, Proszę o komentarz, wydaje mi się że podłączenie równoległe będzie działać w pewnym sensie jako bufor, do tego pompka będzie stawać przy temp 40stopni, podgrzewacz przepływowy 3 fazowy aby zwiększyć komfort użytkowania, a bojler aby obniżyć koszta ciepłej wody, ogrzewanie mam w miedzi zasilanie bojlera to fi 28mm, wszystko hydraulicznie zgodne, piec ma sterownik pompy i nadmuchu z czujką temperatury zaraz na wyjściu gorącej wody z pieca. Całość działa już u mnie i jestem zadowolony, ale chcę dołożyć ten bojler i myślę jak go wpiąć proszę o jakieś sugestie. Pozdrawiam
  6. Witam ja z moim kotlem SAD PLUS dostałem sterownik atos, można je kupić na allegro, więc sam oceń czy jest skomplikowany. Wg. mnie sterownik łatwizna.
  7. Witam, posiadam ten kocioł już jeden rok, jest to bardzo dobry piec, bardzo szybko nagrzewa instalacje, nie dymi i nie trzeba go prawie wogule czyścić. Posiadam SAD PLUS 18KW i ogrzewam nim parterowy domek 136m2 sterownik bardzo prosty w obsludze, nigdy nie miałem z nim żadnych problemów, u rodziców paliłem też w zębcu kwkd 15 z dolnym spalaniem także mam porównanie, w tej cenie nie kupi się nic lepszego. drobne przeróbki wykonują gratis, ja miałem okrągłe wejście do komina. Acha bardzo dobrze pali się w nim koksem, ale może ma na to wpływ fakt że mam komin ceramiczny i dobry ciąg. Pozdrawiam
×
×
  • Dodaj nową pozycję...

Powiadomienie o plikach cookie

Używając tej strony zgadzasz się na Polityka prywatności.