Skocz do zawartości

rubikonmarcin

Forumowicz
  • Postów

    18
  • Dołączył

  • Ostatnia wizyta

O sobie

  • Płeć
    Mężczyzna

Osiągnięcia rubikonmarcin

Ciekawy

Ciekawy (3/14)

  • Pierwszy post
  • Współtwórca
  • Tydzień pierwszy zaliczony
  • Miesiąc później
  • Od roku na pokładzie

Najnowsze odznaki

0

Reputacja

  1. lepiej to zlec komus lub poczytaj na forum sa gotowe schematy rowniez na stronach producentow kominkow to co narysowales to jedna wielka lipa
  2. NO i stanelem na rozdrozu ta pompa wydaje mi sie fajnym rozwiazaniem ale czy napewno zalatwi problem z termostami na grzejnikach jakie sa wasze doswiadczenia nie teorie :rolleyes:
  3. Czy taki bedzie dobry http://products.ecc.emea.honeywell.com/poland/ecatdata/pg_du144.html i czy dobrze go wpielem do instalacji ,czy nie potrzeba przed tym zaworem filtrow itp. Najwazniejsze na jaka wrtosc go nastawic ..rozumiem ze cisnienie w ukladzie poznam po manometrze ale jaka ma byc na zaworze?
  4. Czy taki montaz zaworu trojdroznego zalatwi sprawe ? Zawor recznie sterowany ) Czy to zalatwi sprawe i moge przystapic do wdrozenia projekyu w zycie> :rolleyes:OJ Chyba zawor trojdrozny powinien byc przed naczyniem przeponowym
  5. Teraz elegancko to sie nazywa odpowiedz DZIEKI Niestety ale nie znalazlem linku strony producenta zaworu chcialem ci go podeslac bylo tam napisane ze zawor nalezy umiescic na wyjsciu wody z wymiennika poniewaz bedzie chronil instalacje przed wzrostem cisnienia w najlepszy sposob ( wtym miejscu moze byc najwyzsze cinienie (prawda czy falsz) ochrona przed zagotowaniem ? Co do wzrostu temperatury czy zawor trojdrozny nie zalatwi sprawy za wymiennikiem lub 2 grzejniki bez termostatu Podkreslam ze jestem amotorem w hydraulice a moja wiedza to dzieki temu forum a to co naszkicuje to werfikuje u was .Ale hydraulika wciaga mnie fajna sprawa umiec sobie cos takigo stworzy i wykonac u siebie w domu a przy okazji go nie wysadzic i sie rozkoszowac dobrze wykonana instalacja.Teorii sie ucze z wykonaniem tego technicznie nie bede juz mial problemu to idzie mi lepiej
  6. Ale sie oblowilem ta dyskusja dzieki za porady
  7. Wszystko fajnie kozystalem z tego postu do wykonania schematu 2 ale mam kilka pytan i watpliwosci ktore umiescilem na swoim schemacie a mianowicie zamontawalem zawor klapkowy tak jak pisales i bajpas pytanie tylko czy dobrze cie zrozumialem i czy dobrze umiescilem wpiecie napelniania wody do co mam zastrzezenia co do zaworu bezpiczenstwa wiec go przenioslem i zastanawiam czy jedna pompa popchnie wode do rozdzielaczy i do wymiennika czy nie warto zamontowac tego zaworu trojdroznego na zasilaniu grzejnikow (chodzi o to ze woda z parteru i pietra bedzie miala rozne temperatury chociaz na grzejnikach beda termostaty a moze przesadzam)Pozdrawiam
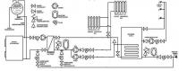
  8. WITAM PROSZE O OKRESLENIE KTORY SCHEMAT BEDZIE OPTYMALNY I OCZYWISCIE POPRAWNY KOCIOL NA EKOGROSZEK 20 KW ZE STEROWNIEM ZASOBNIK WODY CWU 120 LITROW NACZYNIE WYROWNAWCZE W KOTLOWNI NA PARTERZE (BRAK MOZLIWOSCI ZAMONTOWANIA NA STRYCHU) INSTALACJA PEX PARTER I PIETRO SAME GRZEJNIKI POWIERZCHNIA OGRZEWANA 140 M2 MAM KILKA PYTAN KTORY SCHEMAT BYLBY NAJLEPSZY (GDY BYL POPRAWNY) CZY WYMIENIK PLYTOWY MA DUZE STRATY CIEPLNE( SPRAWNOSC)
  9. slabo narysowane za molo ujeles na tym rysunku ale i tak zle jest podlaczone
  10. WITAM DZIEKUJE Z A ZAINTERESOWNIE MAM NADZIEJE ZE TO JEST JUZ OSTATECZNA WERSJA .PROSZE SPRAWDZIC CZY TEN SCHEMAT JEST JUZ DOBRZE MA NA UWADZE TE FILTRY I ZAWORY CHOC ICH NIE NARYSOWALEM NA SCHEMACIE. PROSZE O ODPOWIEDZ ODNOSNIE TEGO ZAWORU ZWROTNEGO NA SCHEMACIE CZY JEST ON POTRZEBY .UWAZAM ZE TAK PONIEWAZ JESLI BEDE CHCIAL USTAWIC GRZANIE TYLKO CWU BEZ C.O. TO POMPA CWU BEDZIE POMPOWALA TAKZE WODE DO C.O A TEN ZAWOR NIE POZWOLNI NA TO .CZY MAM RACJE ? .CZY JEST TO DOBRZE? .PROSZE O WYJASNIENIE TEGO ROZUMIEM TO TAK TRYB LATO NA STEROWNIKU PRACUJE POMPA CWU BEZ POMPY C.O TRYB PRACY STEROWNIKA ZIMA PRACUJE POMPA C.O I C.W.U ZALACZA SIE AUTOMATYCZNIE GDY TEMPERATURA W BOJLERZE SPADA PONIZEJ ZADANEJ CZY DOBRZE TO ROZUMIEM ?CZY TEN ZWOR ZWROTNY JEST POTRZEBNY I CZY W DOBRYM MIEJSCU GO NARYSOWALEM ? POZDRAWIAM
  11. Witam Rozumiem ze po uwzglednieniu Pana uwag schemat instalacji z zaworem 4 droznym jest poporawny.Prosze tylko potwierdzic lub zaprzeczyc czy zawor zwrotny na powrocie jest potrzebny aby grzac tylko ceipla wode na obiegu c.w.u bez obiegu c.o . tak jak na schemacie to zaznaczylem Piec z opcja sterownika grzanie cwu tylko latem bez c.o Pozdrawia
  12. WITAM I JESZCZE RAZ DZIEKUJE ZA POMOC ZALACZAM POPRAWIONY SCHEMAT ZAWOR ZWROTNY ZAMONTOWALEM KOLO CZTERODROZNEGO CZY TO DOBRZE RZECZ W TYM ZE BOJE SIE ZE LATEM JAK WLACZE GRZANIE TYLKO CWU(NA STEROWNIKU) CZY POMPA CWU NIE BEDZIE MI PCHALA POWROTEM WODE DO GRZEJNIKOW MOZE JEST IDIOTYCZNE PYTANIE ALE JESTEM ZIELONY W TYM ROZMIAR RUR NA MALYM OBIEGU I ROZDZIELACZY DN 25 DZIEKUJE ZA CIERPLIWOSC
  13. Jeszcze raz witam moze teraz dobrze bedzie
×
×
  • Dodaj nową pozycję...

Powiadomienie o plikach cookie

Używając tej strony zgadzasz się na Polityka prywatności.