Skocz do zawartości

zakt

Nowy Forumowicz
  • Postów

    3
  • Dołączył

  • Ostatnia wizyta

Osiągnięcia zakt

Nowicjusz

Nowicjusz (1/14)

  • Pierwszy post
  • Tydzień pierwszy zaliczony
  • Miesiąc później
  • Od roku na pokładzie
  • Starter dyskusji

Najnowsze odznaki

0

Reputacja

  1. Jeżeli chodzi o sterownik do pieca to mam sterowanie osobną pompą cwu tak że z tym nie było by problemu, mogę ustawić na nim pracę obydwu pomp, priorytet cwu,lub pracę w trybie lato gdzie pracuje tylko pompa cwu.
  2. tu właśnie miałem dylemat jaką średnicę zaworu zastosować tu może być trochę problem z podłączeniem rury z pieca bezpośrednio w pion bo układ pompy co jest 40cm nad wyjściem z pieca a nie chcę ani przestawiać pieca ani też przerabiać podłączenia pompy tak chcę to podłączyć dlaczego w pionie- czy zasilanie 4d ma być wyżej niż rura doprowadzająca?? tutaj faktycznie lepsze ustawienie tak jest to w tej chwili zamontowane a jak napisałem wcześniej nie chcę przerabiać obiegu pompy i wszystkiego co jest za nią tutaj prosiłbym o małe wyjaśnienie co da mi ten termostat różnicowy gdyż nie jestem w tym temacie obeznany
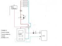
  3. Witam W związku z wymianą pieca co (obecnie Moderator Unica Sensor 20kW) pojawił się problem pocenia się pieca w niskich temperaturach w związku ze zbyt niską temperaturą powrotu. Palenie przy wyższych temperaturach w przedziale 60-70 stopni C niejako eliminuje ten problem, jednak przy temperaturach na zewnątrz powyżej zera w domu jest za gorąco,co wymusza niejako palenie z przerwami a obniżenie temperatury na piecu powoduje że piec bardzo się poci. W związku z tym planuję założyć zawór 4D. Podłączenie mojej obecnej instalacji wygląda tak: Jest to stara instalacja na rurach stalowych, z grzejnikami żeliwnymi (130 żeberek). Ogrzewane dwie kondygnacje -parter i piętro, dom nieocieplony. Kotłownia jest na poziomie parteru. Wyjście z pieca rura 6/4" tak samo powrót. Zasobnik c.w.u 120l stojący z wężownicą umiejscowiony blisko pieca- podłączenie rura 3/4". Zawór za pompą c.o służy do zamknięcia obiegu na grzejniki i grzanie tylko ciepłej wody. Planuję wstawienie zaworu 4D według takiego schematu: Pytanie jakiej średnicy zawór zastosować - najbardziej odpowiednią wydaje mi się 6/4" również cały obieg kotłowy w tej średnicy. Usytuowanie zaworu na rysunku odzwierciedlałoby jego faktyczne zamontowanie oczywiście jak najbliżej pieca. W grę wchodzi również przeróbka zasilania c.w.u i wstawienie dodatkowej pompki bo bez tego raczej się nie obejdzie.Mam możliwość podłączenia powrotu z bojlera do osobnego króćca w piecu co zaznaczyłem linią przerywaną. Takie podłączenie eliminowałoby wpływ pompy c.w.u na pracę zaworu 4D, a skoro mam taką możliwość podłączenia więc chyba warto to wykorzystać. Również zmiana podłączenia naczynia wzbiorczego bezpośrednio na wyjściu z pieca. Proszę o ewentualne uwagi i sugestie dotyczące tej przeróbki Dziękuję i pozdrawiam
×
×
  • Dodaj nową pozycję...

Powiadomienie o plikach cookie

Używając tej strony zgadzasz się na Polityka prywatności.